Mars Observer
![]() Artist rendering of Mars Observer in orbit around Mars | |
| Names | Mars Geoscience and Climatology Orbiter |
|---|---|
| Mission type | Mars orbiter |
| Operator | NASA / JPL |
| COSPAR ID | 1992-063A |
| SATCAT no. | 22136 |
| Website | science.nasa.gov |
| Mission duration | 330 days Mission failure |
| Spacecraft properties | |
| Bus | Mars Observer bus (AS-4000-TIROS/DMSP hybrid) |
| Manufacturer | General Electric Astro Space |
| Launch mass | 1,018 kg (2,244 lb) |
| Power | 1,147 watts |
| Start of mission | |
| Launch date | September 25, 1992, 17:05:01 UTC |
| Rocket | Commercial Titan III/TOS |
| Launch site | Cape Canaveral LC-40 |
| Contractor | Martin Marietta |
| End of mission | |
| Last contact | August 21, 1993, 01:00 UTC |
| Orbital parameters | |
| Reference system | Areocentric |
| Semi-major axis | 3,766.159 km (2,340.183 mi) |
| Eccentricity | 0.004049 |
| Inclination | 92.869° |
| Epoch | December 6, 1993 Planned |
| Flyby of Mars (failed insertion) | |
| Closest approach | August 24, 1993 |
The Mars Observer spacecraft, also known as the Mars Geoscience/Climatology Orbiter, was a robotic space probe launched by NASA on September 25, 1992, to study the Martian surface, atmosphere, climate and magnetic field. On August 21, 1993, during the interplanetary cruise phase, communication with the spacecraft was lost, three days prior to the probe's orbital insertion. Attempts to re-establish communications with the spacecraft were unsuccessful.
Mission background
History
In 1984, a high priority mission to Mars was set forth by the Solar System Exploration Committee. Then titled the Mars Geoscience/Climatology Orbiter, the Martian orbiter was planned to expand on the information already gathered by the Viking program. Preliminary mission goals expected the probe to provide planetary magnetic field data, detection of certain spectral line signatures of minerals on the surface, images of the surface at 1 meter/pixel and global elevation data.[1]
Mars Observer was originally planned to be launched in 1990 by a Space Shuttle Orbiter. The possibility for an expendable rocket to be used was also suggested, if the spacecraft was designed to meet certain constraints.[1] On March 12, 1987, the mission was rescheduled for launch in 1992, in lieu of other backlogged missions (Galileo, Magellan, Ulysses) after the Space Shuttle Challenger disaster.[2] Along with a launch delay, budget overruns necessitated the elimination of two instruments to meet the 1992 planned launch.[3][4] As the development matured, the primary science objectives were finalized as:[3][5][6]
- Determine the global elemental and mineralogical character of the surface material.
- Define globally the topography and gravitational field.
- Establish the nature of the Martian magnetic field.
- Determine the temporal and spatial distribution, abundance, sources, and sinks of volatiles and dust over a seasonal cycle.
- Explore the structure and circulation of the atmosphere.
The program's total cost is estimated at $813 million.[7]
Spacecraft design
The Mars Observer spacecraft had a mass of 1,018 kilograms (2,244 lb). Its bus measured 1.1 meters tall, 2.2 meters wide, and 1.6 meters deep. The spacecraft was based on previous satellite designs, originally intended and developed to orbit Earth. The RCA AS-4000 Ku-band satellite design was used extensively for the spacecraft bus, propulsion, thermal protection, and solar array. RCA TIROS and DMSP Block 50-2 satellite designs were also utilized in the implementing the Attitude and Articulation Control System (AACS), command and data handling subsystem, and power subsystem, into Mars Observer. Other elements such as the bipropellant components and high-gain antenna were designed specifically for the mission.[8][7][9]
Attitude control and propulsion
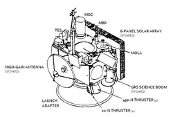
- The spacecraft was three-axis stabilized with four reaction wheels and twenty-four thrusters with 1,346 kilograms of propellant. The propulsion system was a high thrust, monomethyl hydrazine/nitrogen tetroxide bipropellant system for larger maneuvers and a lower thrust hydrazine monopropellant system for minor orbital corrections during the mission. Of the bipropellant thrusters, four located on the aft, provide 490 newtons of thrust for course corrections, control of the spacecraft during the Mars orbital insertion maneuver and large orbit corrections during the mission; another four, located on along the sides of the spacecraft, provide 22 newtons for controlling roll maneuvers. Of the hydrazine thrusters, eight provide 4.5 newtons to control orbit trim maneuvers; another eight provide 0.9 newtons for offsetting, or "desaturating", the reaction wheels. To determine the orientation of the spacecraft, a horizon sensor, a 6-slit star scanner, and five Sun sensors were included.[8][9]
Communications

- For telecommunications, the spacecraft included a two-axis gimbaled 1.5 meter, parabolic high-gain antenna, mounted to a 6 meter boom to communicate with the Deep Space Network across the X-band using two GFP NASA X-band transponders (NXTs) and two GFP command detector units (CDUs). An assembly of six low-gain antennas, and a single medium-gain antenna were also included, to be used during the cruise phase while the high-gain antenna remained stowed, and for contingency measures should communications through the high-gain antenna become restricted. When broadcasting to the Deep Space Network, a maximum of 10.66 kilobytes/second could be achieved while the spacecraft could receive commands at a maximum bandwidth of 62.5 bytes per second.[5][8][7][9]
Power
- Power was supplied to the spacecraft through a six-panel solar array, measuring 7.0 meters wide and 3.7 meters tall, and would provide an average of 1,147 watts when in orbit. To power the spacecraft while occluded from the Sun, two 42 A·h nickel-cadmium batteries were included; the batteries would recharge as the solar array received sunlight.[5][8][7][9]
Computer
- The computing system on the spacecraft was a retooling of the system used on the TIROS and DMSP satellites. The semiautonomous system was able to store up to 2,000 commands in the included 64 kilobytes of random-access memory, and execute them at a maximum rate of 12.5 commands/second; commands could also provide sufficient autonomous operation of the spacecraft for up to sixty days. To record data, redundant digital tape recorders (DTR) were included and each capable of storing up to 187.5 megabytes, for later playback to the Deep Space Network.[8]
Scientific instruments
| Mars Observer Camera (MOC) | ||||
-see diagram |
Consists of narrow-angle and wide-angle telescopic cameras to study the meteorology/climatology and geoscience of Mars.[12]
| |||
|
| ||||
| Mars Observer Laser Altimeter (MOLA) | ||||
-see diagram |
A laser altimeter used to define the topography of Mars.[13]
| |||
|
| ||||
| Thermal Emission Spectrometer (TES) | ||||
-see diagram |
Uses three sensors (Michelson interferometer, solar reflectance sensor, broadband radiance sensor) to measure thermal infrared emissions to map the mineral content of surface rocks, frosts and the composition of clouds.[14]
| |||
|
| ||||
| Pressure Modulator Infrared Radiometer (PMIRR) | ||||
![]() |
Uses narrow-band radiometric channels and two pressure modulation cells to measure atmospheric and surface emissions in the thermal infrared and a visible channel to measure dust particles and condensates in the atmosphere and on the surface at varying longitudes and seasons.[15]
| |||
|
| ||||
| Gamma Ray Spectrometer (GRS) | ||||
-see diagram |
Records the spectrum of gamma rays and neutrons emitted by the radioactive decay of elements contained in the Martian surface.[16]
| |||
|
| ||||
| Magnetometer and Electron Reflectometer (MAG/ER) | ||||
![]() |
Uses the components of the on-board telecommunications system and the stations of the Deep Space Network to collect data on the nature of the magnetic field and interactions the field may have with solar wind.[17]
| |||
|
| ||||
| Radio Science experiment (RS) | ||||
![]() |
Collects data on the gravity field and the Martian atmospheric structure with a special emphasis on temporal changes near the polar regions.[18]
| |||
|
| ||||
| Mars Balloon Relay (MBR) | ||||
|
Planned as augmentation to return data from the penetrators and surface stations of the Russian Mars '94 mission and from penetrators, surface stations, a rover, and a balloon from the Mars '96 mission.[19]
| ||||
|
| ||||
Labeled diagram of Mars Observer.
Mars Observer in the Payload Hazardous Servicing Facility.
Technician assembling the Mars Observer space probe.
Mars Observer in the clean room.
Mission profile
| Timeline of operations | ||||||||||||||||||||||||||||||||||||
|---|---|---|---|---|---|---|---|---|---|---|---|---|---|---|---|---|---|---|---|---|---|---|---|---|---|---|---|---|---|---|---|---|---|---|---|---|
| ||||||||||||||||||||||||||||||||||||
|
See the anticipated timeline for the Mars Observer mission.
Items in red were unrealized events. | ||||||||||||||||||||||||||||||||||||
Launch and trajectory
Mars Observer was launched on September 25, 1992, at 17:05:01 UTC by the National Aeronautics and Space Administration from Space Launch Complex 40 at the Cape Canaveral Air Force Station in Florida, aboard a Commercial Titan III CT-4 launch vehicle. The complete burn sequence lasted for 34 minutes after a solid-fuel Transfer Orbit Stage placed the spacecraft into an 11-month, Mars transfer trajectory, at a final speed of 5.28 km/s with respect to Mars.[9]
On August 25, 1992, particulate contamination was found within the spacecraft. After a full inspection, a cleaning was determined necessary and was performed on August 29. The suspected cause of the contamination were measures taken to protect the spacecraft prior to the landfall of Hurricane Andrew which struck the coast of Florida on August 24.[9][20][21]
Diagram of Mars Observer in launch configuration.
Titan III vehicle launching the Mars Observer spacecraft.
Diagram of the interplanetary trajectory of Mars Observer.
Encounter with Mars
Mars Observer was scheduled to perform an orbital insertion maneuver on August 24, 1993, but contact with the spacecraft was lost on August 21, 1993. The likely reason for the spacecraft failure was the leakage of fuel and oxidizer vapors through the improperly designed PTFE check valve to the common pressurization system. During interplanetary cruise, the vapor mix had accumulated in feed lines and pressurant lines, resulting in explosion and their rupture after the engine was restarted for routine course correction. A similar problem later crippled the Akatsuki space probe in 2010. Although none of the primary objectives were achieved, the mission provided interplanetary cruise phase data, collected up to the date of last contact. This data would be useful for subsequent missions to Mars. Science instruments originally developed for Mars Observer were placed on four subsequent spacecraft to complete the mission objectives: Mars Global Surveyor launched in 1996, Mars Climate Orbiter launched in 1998, 2001 Mars Odyssey launched in 2001 and Mars Reconnaissance Orbiter launched in 2005.[22]
Intended operations



On August 24, 1993, Mars Observer would turn 180 degrees and ignite the bipropellant thrusters to slow the spacecraft, entering into a highly elliptical orbit. Over the next three months, subsequent "transfer to lower orbit" (TLO) maneuvers would be performed as the spacecraft reached periapsis, eventually resulting in an approximately circular, 118-minute orbit around Mars.[23]
The primary mission was to begin on November 23, 1993, collecting data during one Martian year (approximately 687 Earth days). The first global map was expected to be completed on December 16, followed by solar conjunction beginning on December 20, and lasting for nineteen days, ending on January 3, 1994; during this time, mission operations would be suspended as radio contact would not be possible.[23]
Orbiting Mars at an approximate speed of 3.4 km/s, the spacecraft would travel around Mars in a north to south, polar orbit. As the spacecraft circles the planet, horizon sensors indicate the orientation of the spacecraft while the reaction wheels would maintain the orientation of the instruments, towards Mars. The chosen orbit was also Sun-synchronous, allowing the daylit side of Mars to always be captured during the mid-afternoon of each Martian Sol. While some instruments could provide a real-time data link when Earth was in view of the spacecraft, data would also be recorded to the digital tape recorders and played back to Earth each day. Over 75 gigabytes of scientific data was expected to be yielded during the primary mission, much more than any previous mission to Mars. The end of the operable life for the spacecraft was expected to be limited by the supply of propellant and the condition of the batteries.[23]
Communications loss


On August 21, 1993, at 01:00 UTC, three days prior to the scheduled Mars orbital insertion, there was an "inexplicable" loss of contact with Mars Observer.[24] New commands were sent every 20 minutes in the hopes that the spacecraft had drifted off course and could regain contact. However, the attempt was unsuccessful.[24] It is unknown whether the spacecraft was able to follow its automatic programming and go into Mars orbit or if it flew by Mars and is now in a heliocentric orbit.
On January 4, 1994, an independent investigation board from the Naval Research Laboratory, announced their findings: the most probable cause in the loss of communication was a rupture of the fuel pressurization tank in the spacecraft's propulsion system.[25] It is believed that hypergolic fuel may have leaked past valves in the system during the cruise to Mars, allowing the fuel and oxidizer to combine prematurely before reaching the combustion chamber. The leaking fuel and gas probably resulted in a high spin rate, causing the spacecraft to enter into the "contingency mode"; this interrupted the stored command sequence and did not turn the transmitter on.[25] The engine was derived from one belonging to an Earth orbital satellite and was not designed to lie dormant for months before being fired.
| Quoted from the report[25] |
|---|
| Because the telemetry transmitted from the Observer had been commanded off and subsequent efforts to locate or communicate with the spacecraft failed, the board was unable to find conclusive evidence pointing to a particular event that caused the loss of the Observer.
However, after conducting extensive analyses, the board reported that the most probable cause of the loss of communications with the spacecraft on August 21, 1993, was a rupture of the fuel (monomethyl hydrazine (MMH)) pressurization side of the spacecraft's propulsion system, resulting in a pressurized leak of both helium gas and liquid MMH under the spacecraft's thermal blanket. The gas and liquid would most likely have leaked out from under the blanket in an unsymmetrical manner, resulting in a net spin rate. This high spin rate would cause the spacecraft to enter into the "contingency mode," which interrupted the stored command sequence and thus, did not turn the transmitter on. Additionally, this high spin rate precluded proper orientation of the solar arrays, resulting in discharge of the batteries. However, the spin effect may be academic, because the released MMH would likely attack and damage critical electrical circuits within the spacecraft. The board's study concluded that the propulsion system failure most probably was caused by the inadvertent mixing and the reaction of nitrogen tetroxide (NTO) and MMH within titanium pressurization tubing, during the helium pressurization of the fuel tanks. This reaction caused the tubing to rupture, resulting in helium and MMH being released from the tubing, thus forcing the spacecraft into a catastrophic spin and also damaging critical electrical circuits. |
Aftermath
The Mars Exploration Program was formed officially in the wake of the Mars Observer's failure in September 1993.[26] The goals of that program include identifying the location of water, and preparing for crewed missions to Mars.[26]
See also
- Exploration of Mars
- List of missions to Mars
- Planetary Observer program
- Space exploration
- Unmanned space missions
References
- 1 2 Jonathon Eberhart (1986). "NASA Sets Sensors for 1990 Return to Mars". Science News. 239 (21). Society for Science & the Public: 330. doi:10.2307/3970693. JSTOR 3970693.
- ↑ M. Mitchell Waldrop (1987). "Company Offers To Buy NASA A Rocket". Science. 235 (4796). American Association for the Advancement of Science: 1568. Bibcode:1987Sci...235.1568W. doi:10.1126/science.235.4796.1568a. JSTOR 1698285. PMID 17795582.
- 1 2 "Return to the Red Planet: The Mars Observer Mission" (Press release). Jet Propulsion Laboratory. August 1, 1993. hdl:2014/27541.
- ↑ Jonathon Eberhart (1988). "An Act of Discovery: On the Road Again". Science News. 134 (15). Society for Science & the Public: 231. doi:10.2307/3973010. JSTOR 3973010.
- 1 2 3 4 Mark Wade. "Mars Observer". Encyclopedia Astronautica. Retrieved December 23, 2010.
- 1 2 3 4 5 6 7 8 Arden L. Albee (1988). "Workshop on Mars Sample Return Science". In Lunar and Planetary Institute. Lunar and Planetary Institute: 25–29. Bibcode:1988msrs.work...25A.
- 1 2 3 4 5 "Mars Observer". nssdc.gsfc.nasa.gov. NASA. Retrieved December 23, 2010.
- 1 2 3 4 5 "MARS OBSERVER: PHASE 0 SAFETY REVIEW DATA PACKAGE" (Press release). RCA Astro-Electronics. November 17, 1986. hdl:2060/19870011586.
- 1 2 3 4 5 6 "MARS OBSERVER PRESS KIT" (Press release). NASA. September 1992. Archived from the original on February 16, 2004. Retrieved March 21, 2011.
- ↑ "A K-a band (32 GHz) Beacon Link Experiment (KABLE) With Mars Observer" (PDF). 1986. Proposal.
- ↑ "The Mars Observer Ka-Band Link Experiment" (PDF). 1994. Final report.
- ↑ "Mars Observer Camera (MOC)". nssdc.gsfc.nasa.gov. NASA. Retrieved February 19, 2011.
- ↑ "Mars Observer Laser Altimeter (MOLA)". nssdc.gsfc.nasa.gov. NASA. Retrieved February 19, 2011.
- ↑ "Thermal Emission Spectrometer (TES)". nssdc.gsfc.nasa.gov. NASA. Retrieved February 19, 2011.
- ↑ "Pressure Modulator Infrared Radiometer (PMIRR)". nssdc.gsfc.nasa.gov. NASA. Retrieved February 19, 2011.
- ↑ "Gamma Ray Spectrometer (GRS)". nssdc.gsfc.nasa.gov. NASA. Retrieved February 19, 2011.
- ↑ "Magnetometer and Electron Reflectometer (MAG/ER)". nssdc.gsfc.nasa.gov. NASA. Retrieved February 19, 2011.
- ↑ "Radio Science (RS)". nssdc.gsfc.nasa.gov. NASA. Retrieved February 19, 2011.
- ↑ "Mars Balloon Relay (MBR)". nssdc.gsfc.nasa.gov. NASA. Retrieved February 19, 2011.
- ↑ John Noble Wilford (August 28, 1992). "Mishap Delays Mission to Mars". The New York Times. Retrieved June 21, 2008.
- ↑ John Noble Wilford (September 26, 1992). "U.S. Launches A Spacecraft On a Mars Trip". The New York Times. Retrieved June 21, 2008.
- ↑ Troy Brownfield (August 21, 2018). "When a 5,000-Pound Spacecraft Inexplicably Disappeared". Saturday Evening Post. Retrieved March 3, 2021.
- 1 2 3 "Mars Observer: Mars Orbit Insertion Press Kit" (Press release). NASA. August 1993. Archived from the original on February 16, 2004. Retrieved March 21, 2011.
- 1 2 John Noble Wilford (August 23, 1993). "NASA Loses Communication With Mars Observer". The New York Times. Retrieved June 17, 2008.
- 1 2 3 "NASA Mars Observer Failure Board Press Release" (Text) (Press release). January 4, 1994.
- 1 2 Donna Shirley. "Mars Exploration Program Strategy: 1995–2020" (PDF). American Institute of Aeronautics and Astronautics. Archived from the original (PDF) on May 11, 2013. Retrieved October 18, 2012.
External links
- Mars Observer launch press kit Archived March 4, 2016, at the Wayback Machine
- Mars Observer Mission Profile by NASA's Solar System Exploration
- Mars Observer at NSSDC Master Catalog
- The Loss of Mars Observer at Malin Space Science Systems. Archived March 27, 2010, at the Wayback Machine
- NASA – Mars Observer













.jpg)
.jpg)