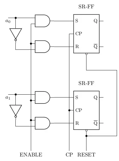
I'm a beginner in LaTeX, and I have a problem to finish this schema.
And I made the following:
I don't know where the problem is and I don't have any books to consult for this. Please, help me!
\documentclass[10pt,a4paper]{article}
\usepackage{circuitikz}
\begin{document}
\begin{circuitikz} [circuit logic US, every circuit symbol/.style={scale=0.65}]
\draw
(0,0) to[short, -*] (1,0) -- (2,0) node[and port, anchor=in 1] (myand1) {}
(1,-1) node[american not port,rotate=-90] (prvone) {}
(myand1.in 2) -| (2,-4)
(1,0) -| (prvone.in)
;
\ctikzset{multipoles/dipchip/pin spacing=0.5}
\draw (myand1.out) -- ++(1,0) nodeanchor=pin 1,
dipchip,
num pins=6,
hide numbers,
no topmark,
external pins width=0 {}
(ff1.pin 3) -- ++(-1,0) node[and port, anchor=out] (myand2) {}
(myand2.in 1) node[circ]{}
(prvone.out) |- (myand2.in 2);
\node [right,font=\tiny] at (ff1.bpin 1) {\textsl{S}};
\node [right,font=\tiny] at (ff1.bpin 2) {\textsl{CP}};
\node [right,font=\tiny] at (ff1.bpin 3) {\textsl{R}};
\node [left,font=\tiny] at (ff1.bpin 6) {\textsl{Q}};
\node [left,font=\tiny] at (ff1.bpin 4) {\textsl{\ctikztextnot{Q}}};
\draw
(0,5) to[short, -*] (1,5) -- (2,5) node[and port, anchor=in 1] (myand1) {}
(1,-1) node[american not port,rotate=-90] (prvone) {}
(myand1.in 2) -| (2,-4)
(0,5) -| (prvone.in)
;
\ctikzset{multipoles/dipchip/pin spacing=0.5}
\draw (myand1.out) -- ++(1,0) node[anchor=pin 1,
dipchip,
num pins=6,
hide numbers,
no topmark,
external pins width=0](ff1) {}
(ff1.pin 3) -- ++(-1,0) node[and port, anchor=out] (myand2) {}
(myand2.in 1) node[circ]{}
(prvone.out) |- (myand2.in 2);
\node [right,font=\tiny] at (ff1.bpin 1) {\textsl{S}};
\node [right,font=\tiny] at (ff1.bpin 2) {\textsl{CP}};
\node [right,font=\tiny] at (ff1.bpin 3) {\textsl{R}};
\node [left,font=\tiny] at (ff1.bpin 6) {\textsl{Q}};
\node [left,font=\tiny] at (ff1.bpin 4) {\textsl{\ctikztextnot{Q}}};
\end{circuitikz}
\end{document}







circuitikz(in an incorrect way). You have the TikZ manual and the CircuiTikZ manual available... I have notime now but I'll try to give it a spin later. – Rmano May 20 '20 at 17:07