Assumed we have this Minimum Working Example (MWE):
\documentclass{article}
\usepackage{tikz}
\usetikzlibrary{circuits.ee.IEC}
\begin{document}
\begin{tikzpicture}[circuit ee IEC]
\draw (0,0) to [battery={info={$e_1$}}] ++(10,0)
to [current direction' = {info = {$i$}, near start}, resistor = {info = {$R$}, near end}] ++(0,10)
to [bulb] ++(-10,0) to[current direction' = {info = {$i$}}] (0,0);
\end{tikzpicture}
\end{document}
Screenshot of the result:
As you can see, this is just an ugly whitepage. Would it be possible to add some nice page borders containing document information to let the sheet appear a bit more professional?
I would dream about some nice borders based on the following ideas.
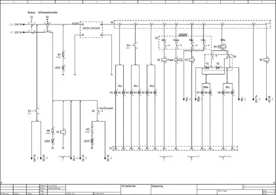
Screenshots of nice wiring diagram borders:
Maybe there is some good template available to upstyle the initial wiring diagram to improve its appearance?




circuitikzin your example. Anyway, both it and the circuit library are just drawing; you can use boxes and matrix to draw this kind of things. If your question is if there are pre-made template, I think the answer is no. – Rmano Jun 09 '19 at 19:35