I want to add mathematical symbols to a flowchart similar to the one in the link below
https://i.stack.imgur.com/r7GSK.jpg
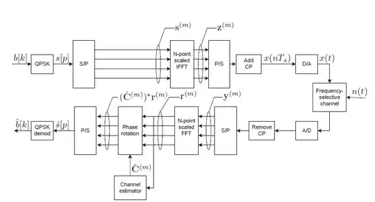
The code for my system is listed below. I want to have math symbols like Y_k next to the lines that connect boxes but also circles that circle more lines together like for S^(m) in the example image.
\documentclass[tikz,border=2mm]{standalone}
\usepackage{circuitikz}
\usetikzlibrary{chains,fit,positioning}
\begin{document}
% Version 3
\begin{tikzpicture}[
node distance = 20mm and 5mm,
start chain = going right,
block/.style = {draw, minimum height=20mm, minimum width=5mm,
font=\boldmath,on chain}]
% upper blocks
\node (ht1) [block,draw=none] {\hphantom{$\boldmath(TH)^+$}};
\node (y1) [block,right=22mm of ht1] {$T_{1}$};
\node (adc1) [block] {ADC};
% lower blocks
\node (ht2) [block,draw=none,below=of ht1] {\hphantom{$\boldmath(TH)^+$}};
\node (y2) [block,right=22mm of ht2] {$T_{k}$};
\node (adc2) [block] {ADC};
% common input nodes
\node (in2) [draw,inner sep=0pt, fit=(ht1) (ht2),label=center:$\boldmath(TH)^+$] {};
% top blocks
\node (cpu) [above=5mm of in2] {CPU};
\node (rf) [above=5mm of y1] {RF-chain};
\draw[densely dotted] ([xshift=11mm] cpu.north -| in2.east) coordinate (in3)
-- (in3 |- in2.south);
% lines between blocks
\foreach \y in {-0.75, -0.25, 0.25, 0.75}
{
% 8 input lines
\draw ([yshift=\y cm +2 cm] in2.west)--++(180:1cm);
\draw ([yshift=\y cm -2 cm] in2.west)--++(180:1cm);
}
% 2 lines between other blocks
\foreach \j in {1, 2}
{
\foreach \y in {-0.25, 0.25, 0.75, -0.75}
{
\foreach \i [remember=\i as \lasti (initially y\j)] in { adc\j}
\draw ([yshift= \y cm ]\lasti.east)--([yshift=\y cm]\i.west);
\draw (-1,-1.9) circle [radius=0.7pt,yshift=-0 cm -\y cm];
\draw (2.5,-1.9) circle [radius=0.7pt,yshift=-0 cm -\y cm];
%\draw (0,-1) -- (4,-1);
%\draw ([yshift= 0.5 cm -\y cm] adc\j.east)--++(0:1+1.5*\y) node[antenna] {};
\draw ([yshift=-0 cm -\y cm] adc\j.east)--++([xshift=1.5cm] 0:1+1.5*\y) node[antenna] {};
}
\foreach \y in {-0.25, 0.25}
{
\foreach \i [remember=\i as \lasti (initially ht\j)] in { y\j}
\draw ([yshift= \y cm ]\lasti.east)--([yshift=\y cm]\i.west);
}
}
\end{tikzpicture}
\end{document}
