As a long time lurker, this is my first question relating to a set of problems I have currently with TikZ. I try to draw a more or less complex block diagram, however things do not always turn out favourably.
I am by no means a professional LaTeX user, so I hope you don't mind the possibly ugly workarounds I drew on in the code below.
So, the questions I have are as follows:
\documentclass{article}
\usepackage[latin1]{inputenc}% erm\"oglich die direkte Eingabe der Umlaute
\usepackage{amsmath}
\usepackage[T1]{fontenc} % das Trennen der Umlaute
\usepackage{ngerman}
\usepackage{lscape}
\usepackage{tikz}
\usepackage{amsmath}
\usepackage{psfrag}
\usetikzlibrary{calc}
\usetikzlibrary{positioning}
\usetikzlibrary{arrows, decorations.markings, intersections}
\tikzstyle{vecArrowThick} = [thick, decoration={markings,mark=at position
1 with {\arrow[semithick]{open triangle 60}}},
double distance=1.9pt, shorten >= 5.5pt,
preaction = {decorate},
postaction = {draw,line width=1.9pt, white,shorten >= 4.5pt}]
\tikzstyle{vecArrowThin} = [thick, decoration={markings,mark=at position
1 with {\arrow[semithick]{open triangle 60}}},
double distance=1pt, shorten >= 5.5pt,
preaction = {decorate},
postaction = {draw,line width=1pt, white,shorten >= 4.5pt}]
\tikzstyle{innerWhiteThick} = [semithick, white, line width=1.9pt, shorten >= 5.5pt]
\tikzstyle{innerWhiteThin} = [semithick, white, line width=1pt , shorten >= 5.5pt]
\newcommand{\obsDist}{15 cm}
\newcommand{\len}{1 cm}
\begin{document}
%\begin{landscape}
\resizebox{\textwidth}{!}{
% http://tex.stackexchange.com/questions/4338/correctly-scaling-a-tikzpicture
\begin{tikzpicture}[>=stealth, thick,node distance = \len, auto] %, font=\boldmath]
%coordinates
\coordinate (orig) at (0 ,0);
% Summationspunkte
\coordinate (c_sumPoint1) at (4.5, 7.5);
\coordinate (c_sumPoint2) at (0 , 7.5);
% Funktion
\coordinate (c_f) at (13,7);
\coordinate (Arr_fIn ) at (13,7);
\coordinate (Arr_fOut) at (16,7);
% Integrator
\coordinate (c_Int) at (17,7);
\coordinate (Arr_IntIn ) at (17,7);
\coordinate (Arr_IntOut) at (18,7);
% Koordinatentrafo
\coordinate (c_Phi) at (9,0);
\coordinate (Arr_PhiIn) at (18,1);
\coordinate (Arr_PhiOut) at (16,0);
% alpha
\coordinate (c_alpha) at (4.5,5);
% beta
\coordinate[right = 2.5cm of c_sumPoint1] (c_beta);
% Knoten etc.
\coordinate (knot1) at (16,7);
\coordinate (knot2) at (1 ,6.5);
\coordinate (knot3) at (6 ,6.5);
\coordinate (knot5) at (11,3);
\coordinate (knot6) at (-6,8.8);
\coordinate (knot7) at (-6,7.5);
\coordinate (knot8) at (-6,6.2);
\coordinate (knot9) at (-6,10.1);
\coordinate (knot10) at (4.5,3);
%nodes
\node[inner sep=0, draw, minimum width=3cm, minimum height=2cm , anchor=center , align=center] (Fun) at (c_f) {$\mathbf{\dot x} = \mathbf{f}(\mathbf{x}) + \mathbf{g}(\mathbf{x})u$};
\node[inner sep=0, draw, minimum width=1cm, minimum height=2cm , anchor=center , align=center, right = 1cm of Fun] (Int) {$\int$};
\node[inner sep=0, draw, minimum width=1cm, minimum height=1cm , anchor=center , align=center, right = 3cm of Int] (Msmt) {$y = h(\mathbf{x})$};
\node[inner sep=0, minimum size=0,right = 2.5cm of Msmt](out){} ;
\node[inner sep=0, minimum size=0,right = 1cm of Int](invsblMsmt){};
\coordinate[below = 4cm of invsblMsmt] (knot4){};
\node[inner sep=0, draw, minimum width=3cm, minimum height=1cm , anchor=center , align=center] (alpha) at (c_alpha) {$\alpha(\tilde{\mathbf x })$};
\node[inner sep=0, draw, minimum width=3cm, minimum height=1cm , anchor=center , align=center] (beta) at (c_beta) {$\beta^{-1}(\tilde{\mathbf{x}})$};
\node[inner sep=0, draw, minimum width=4cm, minimum height=2.5cm, below = 5cm of alpha, align=center] (Phi) {$\boldsymbol{\tilde z} = \boldsymbol{\Phi}(\tilde{\mathbf x})$};
\node[inner sep=0, inner sep=0,minimum size=0,right of=a] (invsbl) at (knot10) {}; % invisible node
\coordinate (c_k1) at (-1.3,3);
\coordinate (c_k2) at (0,3 );
\coordinate (c_k3) at (1.3,3);
\coordinate (c_k11) at (-4,8.8);
\coordinate (c_k21) at (-4,7.5);
\coordinate (c_k31) at (-4,6.2);
\coordinate (c_k41) at (-4,10.1);
\node[inner sep=0, draw, minimum width=1cm, minimum height=1cm, anchor=center , text width=0.5cm, align=center] (k_1) at (c_k1) {$k_1$};
\node[inner sep=0, draw, minimum width=1cm, minimum height=1cm, anchor=center , text width=0.5cm, align=center] (k_2) at (c_k2) {$k_2$};
\node[inner sep=0, draw, minimum width=1cm, minimum height=1cm, anchor=center , text width=0.5cm, align=center] (k_3) at (c_k3) {$k_3$};
\node[inner sep=0, draw, minimum width=1cm, minimum height=1cm, anchor=center , text width=0.5cm, align=center] (k_11) at (c_k11) {$k_1$};
\node[inner sep=0, draw, minimum width=1cm, minimum height=1cm, anchor=center , text width=0.5cm, align=center] (k_21) at (c_k21) {$k_2$};
\node[inner sep=0, draw, minimum width=1cm, minimum height=1cm, anchor=center , text width=0.5cm, align=center] (k_31) at (c_k31) {$k_3$};
\node[inner sep=0, draw, minimum width=1cm, minimum height=1cm, anchor=center , text width=0.5cm, align=center] (k_41) at (c_k41) {$1$};
% Zustandsvektoren bezeichnen
\node (x_red) at (7.2, 2.5 ) {$\tilde{\mathbf x}$};
\node (x) at (12 , 2.5 ) {$\mathbf{x}$};
% Summationspunkte
\node[inner sep=0, draw = black, fill=white, circle, minimum size = 0.5cm, anchor = center] (sumPoint1) at (c_sumPoint1) {};
\node[inner sep=0, below right = 0.2cm and 0.1cm of c_sumPoint1]{$-$};
\node[inner sep=0, above left = 0.2cm and 0.2cm of c_sumPoint1]{$+$};
\node[inner sep=0, draw = black, fill=white, circle, minimum size = 0.5cm, anchor = center] (sumPoint2) at (c_sumPoint2) {};
\node[inner sep=0, below right = 0.2cm and 0.1cm of c_sumPoint2]{$-$};
\node[inner sep=0, above right = 0.2cm and 0.1cm of c_sumPoint2]{$+$};
\node[inner sep=0, above left = 0.1cm and 0.1cm of c_sumPoint2]{$+$};
\node[inner sep=0, draw = black, fill=white, circle, minimum size = 0.5cm, anchor = center] (sumPoint3) at ($(k_2.90) + (0,1)$) {};
\node[inner sep=0, below right = 0.1cm and 0.05cm of sumPoint3]{$+$};
\node[inner sep=0, above right = 0.05cm and 0.05cm of sumPoint3]{$+$};
\node[inner sep=0, above left = 0.05cm and 0.05cm of sumPoint3]{$+$};
\node[inner sep=0, draw = black, fill=white, circle, minimum size = 0.5cm, anchor = center] (sumPoint4) at ($(k_21.0) + (1,0)$) {};
\node[inner sep=0, below right = 0.2 cm and 0.0cm of sumPoint4]{$+$};
\node[inner sep=0, above right = 0.2 cm and 0.0cm of sumPoint4]{$+$};
\node[inner sep=0, above left = 0.05cm and 0.0cm of sumPoint4]{$+$};
% edges
\path[draw,vecArrowThick] ($(Fun.0)$) -- node[above]{$\mathbf{\dot x}$} ($(Int.180) + (0,0)$);
\draw[innerWhiteThick](Arr_fOut)($(Int.180) + (0,0)$);
%
\path[inner sep=0, draw,vecArrowThin] (knot5) -| ($(Phi.90)$);
\draw[innerWhiteThin] (knot5) -| ($(Phi.90)$);
%
\path[inner sep=0, draw, vecArrowThick] ($(Int.0)$) --(invsblMsmt) -| (knot4) -- (knot5) |- ($(Fun.180)+(0,-0.5)$);
\draw[innerWhiteThick] ($(Int.0)$) --(invsblMsmt) -| (knot4) -- (knot5) |- ($(Fun.180)+(0,-0.5)$);
%
\draw[vecArrowThin] (invsbl) -| node[above right]{$\mathbf{\tilde x}$} ($(alpha.270) + (0*0.5*0.625,0)$);
\draw[innerWhiteThin] (invsbl) -| ($(alpha.270) + (0*0.5*0.625,0)$);
%
\path[draw,->] ($(Msmt.0)$) -- node[above right]{$\mathbf{\tilde x}$} (out);
%
\draw[vecArrowThick] (invsblMsmt) -- node[above right]{$y$} ($(Msmt.180)$);
\draw[innerWhiteThick] (invsblMsmt) -- ($(Msmt.180)$);
% Summationspunkt 1 mit Summationspunkt 2 verbinden
\path[draw,->] (sumPoint2) -- node[above] {$\nu$} (sumPoint1);
% Ausgang Phi --> k_1, k_2, k_3
\path[draw,->] ($(Phi.270) + (-2, 0.5)$) node[above left]{$z_1 = y$ } -| (k_1);
\path[draw,->] ($(Phi.270) + (-2, 0.6 + 0.5)$) node[above left]{$z_2 = \dot y$ } -| (k_2);
\path[draw,->] ($(Phi.270) + (-2, 2*0.6 + 0.5)$) node[above left]{$z_3 = \ddot y$} -| (k_3);
%
\path[draw,->] ($(alpha.90)$) -- (sumPoint1) ;
\path[draw,->] ($(sumPoint1.0)$) -- ($(beta.180)$);
\path[draw,->] ($(beta.0)$) -- node[above]{$u_R$} ($(Fun.180) + (0,0.5)$) ;
% k1,k2,k3 mit Summationspunkt3 verbinden
\path[draw,->] ($(k_1.90)$) |- ($(sumPoint3.180)$) ;
\path[draw,->] ($(k_2.90)$) -- ($(sumPoint3.270)$) ;
\path[draw,->] ($(k_3.90)$) |- ($(sumPoint3.0)$) ;
% k11,k21,k31 mit Summationspunkt4 verbinden
\path[draw,->] ($(k_11.0)$) -| ($(sumPoint4.90)$) ;
\path[draw,->] ($(k_21.0)$) -- ($(sumPoint4.180)$) ;
\path[draw,->] ($(k_31.0)$) -| ($(sumPoint4.270)$) ;
% 1 mit Summationspunkt 2 verbinden
\path[draw,->] ($(k_41.0)$) -| ($(sumPoint2.90)$) ;
% Pfeile nach k11, k21, k31 erstellen
\path[draw,->] (knot6) -- node[above left]{$ y_d$} ($(k_11.180)$) ;
\path[draw,->] (knot7) -- node[above left]{$\dot y_d$} ($(k_21.180)$) ;
\path[draw,->] (knot8) -- node[above left]{$\ddot y_d$} ($(k_31.180)$) ;
\path[draw,->] (knot9) -- node[above left]{$\dddot{y}_d $}($(k_41.180)$) ;
% Summationspunkt 3 mit Summationspunkt 2 verbinden
\path[draw,->] (sumPoint3) -- (sumPoint2) ;
% Summationspunkt 4 mit Summationspunkt 2 verbinden
\path[draw,->] (sumPoint4) -- (sumPoint2) ;
% andere Punkte
\node[draw = black, thick, fill=white, circle, minimum size = 0.5cm, anchor = center] (demuxPoint) at (knot5) {};
%% Rahmen für Reglerstruktur
% Rahmen Vorfilter
\coordinate (c_frame1) at (-6.5,5.5);
\node[draw, dashed, minimum width=5cm, minimum height=6cm , anchor=south west , text width=2cm, align=center] (frame1) at (c_frame1) {};
\node[text width=6cm, anchor=west, right] at (-5.5,12){Linear pre-filter};
% Rahmen lineare Zustandsrückführung
\coordinate (c_frame2) at (-2.3 ,1.8);
\node[draw, dashed, minimum width=4.4cm, minimum height=3.5cm , anchor=south west , text width=2cm, align=center] (frame2) at (c_frame2) {};
\node[text width=6cm, anchor=west, right] at (-5.5,2){Linear feedback};
% Rahmen für Kompensation
\coordinate (c_frame3) at (2.8,4.5);
\node[draw, dashed, minimum width=7.5cm, minimum height=4.5cm , anchor=south west , text width=2cm, align=center] (frame3) at (c_frame3) {};
\node[text width=6cm, anchor=west, right] at (4.8,9.5){Nonlinear compensator};
% Rahmen für nichtlineare Zustandstransformation
\coordinate (c_frame4) at (1,-3);
\node[draw, dashed, minimum width=6cm, minimum height=3.5cm , anchor=south west , text width=2cm, align=center] (frame3) at (c_frame4) {};
\node[text width=6cm, anchor=west, right] at (1.5,-3.5){Nonlinear transformation};
% % % % % % % % % % % % % % % % % % % % % % % % % % % % % % % % % % % % % % % % % % % % % % % % % % % % % % % % % % % % % % % % % % % % % % % % % % % % %
%Copy of upper system part % % % % % % % % % % % % % % % % % % % % % % % % % % % % % % % % % % % % % % % % % % % % % % % % % % % % % % % % % % %
% % % % % % % % % % % % % % % % % % % % % % % % % % % % % % % % % % % % % % % % % % % % % % % % % % % % % % % % % % % % % % % % % % % % % % % % % % % % %
\coordinate [ below = \obsDist of knot1](knot1Obs) ;
\coordinate [ below = \obsDist of knot2](knot2Obs);
\coordinate [ below = \obsDist of knot3](knot3Obs);
\coordinate [ below left = \obsDist and 1.5 cm of knot5](knot5Obs);
\coordinate (demuxObs) at (10, -2.5);
\coordinate [ below = \obsDist of knot6](knot6Obs);
\coordinate [ below = \obsDist of knot7](knot7Obs);
\coordinate [ below = \obsDist of knot8](knot8Obs);
\coordinate [ below = \obsDist of knot9](knot9Obs);
\coordinate [ below = \obsDist of knot10](knot10Obs);
\coordinate [ below left = \obsDist and 1 cm of c_f](c_fObs) ;
\coordinate [ below = \obsDist of c_alpha](c_alphaObs) ;
\coordinate [ below = \obsDist of c_beta](c_betaObs) ;
\node[inner sep=0, draw, minimum width=3cm, minimum height=2cm , anchor=center , align=center] (FunObs) at (c_fObs) {$\mathbf{\dot x} = \mathbf{f}(\mathbf{x}) + \mathbf{g}(\mathbf{x})u + v$ \\ $y = h(\mathbf{x})$};
\node[inner sep=0, draw, minimum width=1cm, minimum height=2cm , anchor=center , align=center, right = 1cm of FunObs] (IntObs) {$\int$};
\node[inner sep=0, draw, minimum width=3cm, minimum height=1cm , anchor=center , align=center] (alphaObs) at (c_alphaObs) {$\alpha(\tilde{\mathbf x })$};
\node[inner sep=0, draw, minimum width=3cm, minimum height=1cm , anchor=center , align=center] (betaObs) at (c_betaObs) {$\beta^{-1}(\tilde{\mathbf{x}})$};
\node[inner sep=0, draw, minimum width=4cm, minimum height=2.5cm, below = 5cm of alphaObs, align=center] (PhiObs) {$\boldsymbol{\tilde z} = \boldsymbol{\Phi}(\tilde{\mathbf x})$};
\coordinate(knot11Obs) at ($(FunObs.180) - ( 1, 0.5)$);
\node[inner sep=0, draw, minimum width=1cm, minimum height=1cm , anchor=center , align=center, right = 4cm of IntObs] (MsmtObs) {$y = h(\mathbf{x})$};
\node[inner sep=0,minimum size=0,right of=a] (invsblObs) at (knot10Obs) {}; % invisible nodeelow = \obsDist of invsbl] (invsblObs) {}; % invisible node
\node[inner sep=0,minimum size=0,right = 2.5cm of MsmtObs](outObs){} ;
\node[inner sep=0,minimum size=0,right = 1cm of IntObs](invsblMsmtObs){};
\coordinate[below = 4cm of invsblMsmtObs] (knot4Obs){};
%
\node[inner sep=0, draw, minimum width=1cm, minimum height=1cm, anchor=center , text width=0.5cm, align=center, below = 14.5cm of c_k1] (k_1Obs) {$k_1$};
\node[inner sep=0, draw, minimum width=1cm, minimum height=1cm, anchor=center , text width=0.5cm, align=center, below = 14.5cm of c_k2] (k_2Obs) {$k_2$};
\node[inner sep=0, draw, minimum width=1cm, minimum height=1cm, anchor=center , text width=0.5cm, align=center, below = 14.5cm of c_k3] (k_3Obs) {$k_3$};
\node[inner sep=0, draw, minimum width=1cm, minimum height=1cm, anchor=center , text width=0.5cm, align=center, below = 14.5cm of c_k11] (k_11Obs) {$k_1$};
\node[inner sep=0, draw, minimum width=1cm, minimum height=1cm, anchor=center , text width=0.5cm, align=center, below = 14.5cm of c_k21] (k_21Obs) {$k_2$};
\node[inner sep=0, draw, minimum width=1cm, minimum height=1cm, anchor=center , text width=0.5cm, align=center, below = 14.5cm of c_k31] (k_31Obs) {$k_3$};
\node[inner sep=0, draw, minimum width=1cm, minimum height=1cm, anchor=center , text width=0.5cm, align=center, below = 14.5cm of c_k41] (k_41Obs) {$1$};
%
%% Zustandsvektoren bezeichnen
\node[inner sep=0, draw = white](xObs) at (12, -12.5 ) {$\mathbf{x}$};
\node[inner sep=0, draw = white](x_redObs) at (7.2, -12.5 ) {$\tilde{\mathbf x}$};
%
% % Summationspunkte
\node[inner sep=0, draw = black, fill=white, circle, minimum size = 0.5cm, anchor = center, below = 14.5cm of sumPoint1] (sumPoint1Obs){};
\node[inner sep=0, below right = 0.2cm and 0.1cm of sumPoint1Obs]{$-$};
\node[inner sep=0, above left = 0.2cm and 0.2cm of sumPoint1Obs]{$+$};
%
\node[inner sep=0, draw = black, fill=white, circle, minimum size = 0.5cm, anchor = center, below = 14.5cm of sumPoint2 ] (sumPoint2Obs){};
\node[inner sep=0, below right = 0.2cm and 0.1cm of sumPoint2Obs]{$-$};
\node[inner sep=0, above right = 0.2cm and 0.1cm of sumPoint2Obs]{$+$};
\node[inner sep=0, above left = 0.1cm and 0.1cm of sumPoint2Obs]{$+$};
%
\node[inner sep=0, draw = black, fill=white, circle, minimum size = 0.5cm, anchor = center, below = 14.5cm of sumPoint3] (sumPoint3Obs){};
\node[inner sep=0, below right = 0.1cm and 0.05cm of sumPoint3Obs]{$+$};
\node[inner sep=0, above right = 0.05cm and 0.05cm of sumPoint3Obs]{$+$};
\node[inner sep=0, above left = 0.05cm and 0.05cm of sumPoint3Obs]{$+$};
%
\node[inner sep=0, draw = black, fill=white, circle, minimum size = 0.5cm, anchor = center, below = 14.5cm of sumPoint4] (sumPoint4Obs){};
\node[inner sep=0, below right = 0.2 cm and 0.0cm of sumPoint4Obs]{$+$};
\node[inner sep=0, above right = 0.2 cm and 0.0cm of sumPoint4Obs]{$+$};
\node[inner sep=0, above left = 0.05cm and 0.0cm of sumPoint4Obs]{$+$};
%
%
%
% % edges
\path[draw,vecArrowThick] ($(FunObs.0)$) -- node[above]{$\mathbf{\dot x}$} ($(IntObs.180) + (0,0)$);
\draw[innerWhiteThick](Arr_fOut)($(IntObs.180) + (0,0)$);
%
\path[draw,vecArrowThin] (knot5Obs) -| ($(PhiObs.90)$);
\draw[innerWhiteThin](knot5Obs)($(PhiObs.90)$);
%
\path[draw, vecArrowThick] ($(IntObs.0)$) -| (knot4Obs) -- ($(knot11Obs)+(0,-3.5)$) |- (knot11Obs) -- ($(FunObs.180)+(0,-0.5)$);
\draw[innerWhiteThick](Arr_IntOut) (knot4Obs)(knot5Obs)($(FunObs.180)+(0,-0.5)$);
% %
\draw[vecArrowThin] (invsblObs) -| node[above right]{$\mathbf{\tilde x}$} ($(alphaObs.270) + (0*0.5*0.625,0)$);
\draw[innerWhiteThin] (invsblObs) ($(alphaObs.270) + (0*0.5*0.625,0)$);
\path[draw,->] ($(MsmtObs.0)$) -- node[above right]{$\mathbf{\tilde x}$} (outObs);
%
\draw[vecArrowThick] (invsblMsmtObs) -- node[above right]{$y$} ($(MsmtObs.180)$);
\draw[innerWhiteThick] (invsblMsmtObs) -- ($(MsmtObs.180)$);
% Summationspunkt 1 mit Summationspunkt 2 verbinden
\path[draw,->] (sumPoint2Obs) -- node[above] {$\nu$} (sumPoint1Obs);
% Ausgang Phi --> k_1, k_2, k_3
\path[draw,->] ($(PhiObs.270) + (-2, 0.5)$) node[above left]{$z_1 = y$ } -| (k_1Obs);
\path[draw,->] ($(PhiObs.270) + (-2, 0.6 + 0.5)$) node[above left]{$z_2 = \dot y$ } -| (k_2Obs);
\path[draw,->] ($(PhiObs.270) + (-2, 2*0.6 + 0.5)$) node[above left]{$z_3 = \ddot y$} -| (k_3Obs);
% %
%
\path[draw,->] ($(alphaObs.90)$) -- (sumPoint1Obs) ;
\path[draw,->] ($(sumPoint1Obs.0)$) -- ($(betaObs.180)$);
\path[draw,->, name path=contrObs] ($(betaObs.0)$) -- node[above]{$u_R$} ($(FunObs.180) + (0,0.5)$) ;
%
% % k1,k2,k3 mit Summationspunkt3 verbinden
\path[draw,->] ($(k_1Obs.90)$) |- ($(sumPoint3Obs.180)$) ;
\path[draw,->] ($(k_2Obs.90)$) -- ($(sumPoint3Obs.270)$) ;
\path[draw,->] ($(k_3Obs.90)$) |- ($(sumPoint3Obs.0)$) ;
%
% % k11,k21,k31 mit Summationspunkt4 verbinden
\path[draw,->] ($(k_11Obs.0)$) -| ($(sumPoint4Obs.90)$) ;
\path[draw,->] ($(k_21Obs.0)$) -- ($(sumPoint4Obs.180)$) ;
\path[draw,->] ($(k_31Obs.0)$) -| ($(sumPoint4Obs.270)$) ;
% % 1 mit Summationspunkt 2 verbinden
\path[draw,->] ($(k_41Obs.0)$) -| ($(sumPoint2Obs.90)$) ;
%
% % Pfeile nach k11, k21, k31 erstellen
\path[draw,->] (knot6Obs) -- node[above left]{$ y_d$} ($(k_11Obs.180)$) ;
\path[draw,->] (knot7Obs) -- node[above left]{$\dot y_d$} ($(k_21Obs.180)$) ;
\path[draw,->] (knot8Obs) -- node[above left]{$\ddot y_d$} ($(k_31Obs.180)$) ;
\path[draw,->] (knot9Obs) -- node[above left]{$\dddot{y}_d $}($(k_41Obs.180)$) ;
%
% % Summationspunkt 3 mit Summationspunkt 2 verbinden
\path[draw,->] (sumPoint3Obs) -- (sumPoint2Obs) ;
% % Summationspunkt 4 mit Summationspunkt 2 verbinden
\path[draw,->] (sumPoint4Obs) -- (sumPoint2Obs) ;
% % % % % % Beobachterverstärkung etc
\node[draw, minimum width=3cm, minimum height=2cm , anchor=south , align=center, above right = 1.25cm and -4cm of MsmtObs] (obsGain) {$L$};
\node[draw = black, fill=white, circle, minimum size = 0.5cm, anchor = sout, above right = 2cm and 1cm of MsmtObs] (ObsDiff){};
\path[draw,->] ($(MsmtObs.0)$) -| ($(ObsDiff.270)$) ;
\path[draw,->] ($(Msmt.0)$) -| ($(ObsDiff.90)$) ;
\path[draw,->] ($(ObsDiff.180)$) -| ($(obsGain.0)$) ;
\path[draw,vecArrowThick](obsGain) -| ($(FunObs.90)$);
\draw[innerWhiteThick](obsGain)($(FunObs.90)$);
\path[draw,vecArrowThick, name path = obsVec] (knot11Obs) |- ($(Phi.0)$);
\draw[innerWhiteThick](knot11Obs)($(Phi.0)$);
% Schnittpunkt u_R und beobachteter Vektor finden
\path [name intersections={of = contrObs and obsVec}];
\coordinate (S) at (intersection-1);
% path a circle around this intersection for the arc
\path[name path=circle] (S) circle(2cm);
%
% % find intersections of second line and circle
% \path [name intersections={of = circle and contrObs}];
% \coordinate (I1) at (intersection-1);
% \coordinate (I2) at (intersection-2);
%
% % draw normal line segments
% \draw (knot11Obs) -- (I1);
% \draw[->] (I2) -- ($(Phi.0)$);
%
% % draw arc at intersection
% \tkzDrawArc[color=black](S,I1)(I2);
\end{tikzpicture}
}
%\end{landscape}
\end{document}
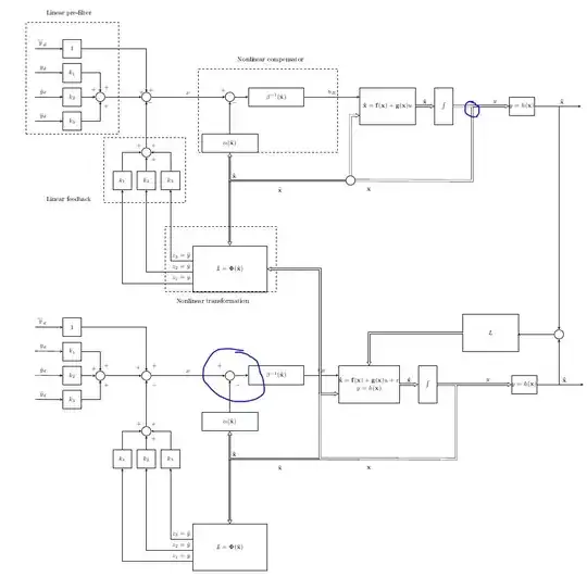
This gives me the following output:

Apart from certain minor problems, my main concerns are the following:
1) Duplicating the above upper part of the block diagram, I wanted to have everything copied at a distance \obsDist of 15 cm. So far so good, but if you look at
\path[draw,->]($(sumPoint1Obs.0)$) -- ($(betaObs.180)$);
you'll see that the arrow connecting the lower third from the left summation point with the lower \beta^-1(\tilde x) block is slightly askew. I do not understand why.
When copying, I had the idea to create relative references - however, this did not turn out the way I wanted. As you can see in the code, I had to fix some distances by manually changing distances to 14.5 cm.
Is there any mistake in my thinking?
2) At the points where the thick arrow splits, the splitting is not cleanly done - I tried to implement this as suggested in http://www.texample.net/tikz/examples/double-arrows/
I hope the code is sufficiently clear. Any help is highly appreciated!

\begin{tikzpicture} \draw [double,double distance=3pt] plot coordinates {(0,0) (2,0)} plot coordinates {(1,0) (1,-1)}; \end{tikzpicture}but I've no clue how to correctly add an arrow head for each "plot" sequence. – s__C Sep 19 '14 at 13:32