Disclosure: Doing things such as this is my 'day job'.
You can use a bicycle dynamo to recharge a suitable battery at very little expense and with minimal effort. Use of something like the "Reecharger" that you mention is not essential, does extremely little for you and, if their description of their own products are accurate, the Reecharger is a badly designed piece of equipment that has major problems. Brief notes justifying this rather unlikely sounding claim are at the end of this answer.
Any rechargeable battery with a voltage of up to about 6 Volts will be usable.
The SHD (Shimano Hub Dyno) makes about 3 Watts - 6V x 0.5A at rated output. This is at relatively low RPM due to bicycle use.
Any battery that can tolerate a charge rate of up to 0.5A is acceptable - and any modern rechargeable battery from about AA size on up would be suitable. You need some additional simple circuitry which I'll describe below.
Read my answer here on Electrical Engineering Stack Exchange Building a new dynamo bike light. From there you will find an indirect link to this PDA / GPS bike mounted USB charger. This doubles the voltage from the hub dyno to allow low speed operation. His circuit (shown below) may be somewhat daunting if you have never built such but he discusses what is involved and you can get advice on the Electrical Engineering SE page if you decide to pursue this. Cost of this is probably a few GBP - if you pursue this people on the EE site (including me) would be happy to comment on what is needed for battery charging.

Bicycle electronics site: Here is an excellent site with mini projects relating to bicycle electronics including bicycle alternator circuits
How fast does it need to be turned?
Imagine we have a 26" diameter wheel with 1" of tyre thickness so total diameter ~~~= 28".
At 30 mph = 44 feet/second the dynamo should be at full output - possibly so at half that.
Circumference of a wheel is about 28" x Pi / 12 feet = 7.3 feet.
30 mph = 44 feet per second.
So at 30 mph the wheel will turn 44/7.3 = 6 turns per second
= 60 seconds/minute x 6 revs/second = 360 RPM
Or 180 RPM at 15 mph.
This is "nice and slow" by wind turbine standards and makes it much more usable than many alternatives.
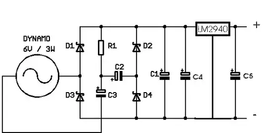
Output is AC so you will need a "bridge rectifier" - this has 4 diodes in it and allows DC to be produced from 2 wire AC. Any small modern silicon bridge rectifier from a hobby electronics shop with a rating of 0.5A or more will do. Voltage rating of any bridge rectifier being sold will be > 6VAC so is unimportant. You MAY find some very very very (decades) old Germanium or copper oxide or selenium rectifiers. Do not use them. A suitable modern bridge rectifier should cost well under 1 GBP.
A bridge rectifier has 4 terminals - two AC inputs (connect either way to the dynamo output wires) and a positive and negative output. Positive goes to battery positive, negative to battery negative, 2 x AC input go to dynamo. Adding a filter capacitor would help if you were powering other equipment rather than battery charging, but for battery charging it is not strictly necessary.
You can use a "regulator" between the battery and dynamo but, for initial investigation, the most that is strictly essential is a means of limiting maximum voltage applied to the battery. The simplest and most effective means in this context is a "clamp regulator". This has 2 wires, connects directly to the battery and usually does nothing whatsoever. If the battery ever rises to a certain present voltage under charge the clamp regulator will "shunt" current to limit the battery voltage to the desired maximum. The regulator can be more complex than that, but that will do well enough in this context in many cases.
Battery types:
"Anything rechargeable" :-).
LiIon or Lithium Polymer.
OK
MUST have a voltage clamp at 4.2V or perhaps a little lower.
MUST have.
A zener diode is "too soft".
Ask if more information needed.
LiFePO4 similar to LiIon but lower clamp voltage needed. A superb battery type but not necessary here.
NimH x 3. (Or NiCd x 3)
Need about 4.5V.
NimH x 4 may be a good choice as they will charge when "flat" but never get to full capacity in most cases so will self limit.
With 3 cells a battery voltage clamp is a good idea but not totally necessary. Under most wind conditions yo are liable to get, if you use the light daily Vbattery may be OK uncontrolled.
Worst case you cook your NimH early.
The Reecharger you mention probably looks after battery management for you but is very very dear for what you get. Buying a bare battery and playing is advised. Note voltage warning.
Lead Acid - 6V a bit marginally high - need to check dyno and see what voltage it REALLY makes.
4V Lead Acid OK.
BioLogic ReCharge Power Pack (home page here).
A Dynamo powered battery charger should
Work with a wide range of typical dynamos
Tolerate usual dynamo input conditions regardless of battery state or battery presence.
Not be damaged by over voltage, under loading, overloading, ...
Ideally would have a replaceable battery.
Be described in technical terms that demonstrate that the seller or manufacturer understands the product and which give confidence that the product meets the specs given.
Be priced at a fair market price for what it does.
The ReeCharge unit fails on all these points.
Here in their FAQ they explicitly say that you may damage it if you ride too fast. They say
" ... For a 20" wheel, sustaining speeds over 25km/h (~15.5mph) for long periods may overload the power regulator so we discourage riding above this speed with the power regulator engaged. 3W hubs can also generate more power than 2.4W ones under the same speed. The 20"-25km/h rating is for a 2.4W hub.
For larger wheels, proportionately greater speeds can be sustained. Our tests show that a standard 26" wheel can go up to 35~40km/hr (21~25mph) without any problem for the power regulator.
My 26" where example noted that 30 mph gave 360 RPM - so their safe max speed is about say 300 RPM. Achievable RPM with a wind turbine will depend on design or happenstance, but 300 RPM is an unusually low expected maximum RPM for a wind turbine - possible even for one with bicycle wheel rotor with duct-tape blades (I like it). You can certainly limit the speed by various means BUT you should not need to.
When they say " ... If your hub outputs the 6V current that is standard for most dynamo hubs ..." we all know what they mean, but one would be wise to wonder about their technical abilities.
They say "The power regulator should be disconnected from the hub when it’s not charging the ReeCharge Power Pack to prevent overloading the power regulator." - which is wholly unacceptable for something made to be used on we dark windswept nights or sudden unexpected exhilarating downhills. The unloaded voltages encountered are modest by any reasonable design standards.
Think thrice.