I have constructed a 3 DOF robot arm. I want it to follow a trajectory on a 2D plane (XY). Tha shapes I want to follow are lines, cycles and splines. I now the math behind these 3 shaped (how they are defined). I have the kinematics, the inverse kinematics the jacobian and the whole control system (with the PID controller). The system receives as inputs, Xd(position), Xd'(velocity) and Xd''(acceleration) over time.
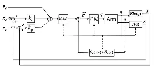
I found the following image that shows (more or less) my system.

So here is were I am stuck. How do I translate the shape to the position, velocity and acceleration that each joint needs to make so the end effector moves in the Cartesian space according to that shape?