I have a question regarding impedance control for a robotic manipulator.
Given that we have a task space trajectory: $\ddot{x}$, $\dot{x}$ and $x$
And the dynamics model of the robot:
$$\tau = M(q)\ddot{q} + C(q,\dot{q})\dot{q} + G(q) + J^\intercal F_{ext}$$
Control law:
$$u = M(q)a_{qin} + C(q,\dot{q})\dot{q} + G(q)$$
Forward dynamics model (Robot):
$$M^{-1} \{ u - C(q, \dot{q})\dot{q} - G(q) -J^\intercal F_{ext} \} = a_{qin}$$
Where $M(q)$ is the inertia matrix, $C(q,\dot{q})$ is the coriolis matix, $G(q)$ is the gravitational load vector, $J^\intercal F_{ext}$ is the external force exerted onto the links, $\ddot{q}$, $\dot{q}$ and $q$ are the joint space trajectories, $\tau$ is the torque, $u$ is the control signal and finally $a_{qin}$ is the computed joint acceleration for the control law.
$$\ddot{q} = a_{qin}$$
For the above, we have impedance control (Spong M.W, 2006), where:
$$\alpha = \ddot{x}^d + M_d^{-1} (B_d (\dot{x}^d - \dot{x}) + K_d(x^d - x) + F)$$
Where the closed loop form is:
$$M_d \ddot{e} + B_d\dot{e} + K_d e = -F$$
where $e = (x^d - x)$, and $\ddot{x} = \alpha $ (double integrator system)
$$a_{qin} = J^{-1} (\alpha - \dot{J} \dot{q})$$
With $M_d$ being the inertia, $B_d$ the damping and $K_d$ stiffness coefficients for each of the degrees of freedom for the Task-space trajectories $\ddot{x}$, $\dot{x}$ and $x$ and $F$ is sensor force?.
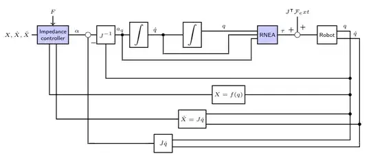
Here is how I see the block diagram of the system (and it might be wrong):
My question: Where does the force $$F$$
Come into play? Is it the same as:
$$F_{ext} = F$$
If $F_{ext} = F$, does this mean that the Force from the sensor is:
$$\tau = M(q)\ddot{q} + C(q,\dot{q})\dot{q} + G(q) + J^\intercal F ?$$
These general equations are all fetched from (Spong M.W., 2006) and I am just trying to make sense of them. Consider me an idiot, but I need help :(!

So I suspect that it is a feedback of the external? man - I really don't know.
– Spaceman Feb 22 '20 at 19:21