Were external floppy drives for Atari ST and Amiga inter-compatible? For example, Commodore 1541* had its own serial bus protocol. But what about the external 3.5" DD floppy disk drive on 23pins D-Connector? I would like to have the same one to use both on Atari ST (1040STE) and on my Amigas (500+1200). And finally, what about the Amiga 1010/1011? Could I use it on Atari ST?
-
I thought the external floppy connector on an ST was circular? As per http://info-coach.fr/atari/hardware/interfaces.php#Floppy_Disc_Connector ? Unlike the Amiga's which is definitely a D-connector: http://www.ianstedman.co.uk/Amiga/designs/Floppy_Adaptor_V2/External_drive_wiring_V2a.png ? – Tommy Jun 18 '18 at 13:52
4 Answers
On both the Amiga and the Atari, external floppy drives don’t contain any “intelligence”, and the connectors are pin-to-pin. However the Amiga uses a 23-pin D connector whereas the Atari ST uses a 14-pin DIN connector, so the external drives aren’t directly compatible, and the drives themselves are setup differently.
You could build a custom cable (with circuitry) which would allow an Amiga drive to be connected to an Atari ST, or vice-versa; you’d need to account for the different expectations (that answer describes the differences between a PC floppy drive and an Amiga drive, the differences between Atari ST drives and Amiga drives are similar — see this guide for details), and you’d need to provide power to the Amiga drive. (External Amiga drives receive power through the 23-pin connector, whereas Atari ST drives have a separate power connector.)
Nowadays I would use a floppy emulator instead, or a PC floppy with an adapter. In both cases, an adapter such as this one would allow you to use the same drive with either an Amiga or an Atari (as long as you remember to configure the solder jumpers appropriately).
- 121,835
- 17
- 505
- 462
The Amiga and Atari ST were not compatible on either the floppy media format or on their floppy drives. The wiring is completely incompatible between the computer and the external floppy drives, most notably because the Amiga external floppy gets power from the computer and the ST external floppy has in built power supply. Also the Amiga disk format is based on 11 sectors/track, whereas the ST uses 9 sectors/track (same as PC-DOS) To my knowledge, there were no manufacturers that ever came out with an external floppy drive to support both machines. My guess would be such a device was prohibitively expensive to produce and there was not much demand.
So, then, what are the alternatives? I would say the most convenient and low-cost configuration is an internal Gotek floppy emulator for the ST. Of course, you need an ST originally equipped with an internal floppy drive. The Gotek is a direct swap, and very inexpensive. You can pursue the same solution of replacing the Amiga's internal floppy too, and all models have one.
If you want to have the freedom to move the Gotek between multiple ST or multiple Amiga machines, then just acquire an external floppy drive compatible with the machine and swap out its internal floppy mechanism for the Gotek.
Really, these Gotek devices are a super solution for both machines. The only difference between them is the firmware loaded and possibly jumper settings. And the compatibility with disk images, and ease of copying between the Gotek and real floppy disks, is basically perfect.
- 60,767
- 20
- 200
- 362
-
4The standard Amiga floppy disk format is indeed incompatible with the Atari ST, but the Amiga can read and write the 720KB disks that the Atari ST used, with appropriate software drivers. I don't know if the reverse is true or not. – user3570736 Jun 18 '18 at 19:40
-
@user3570736 The game Starglider 2 was able to boot on either an Amiga or an Atari ST with the same floppy, thanks to the "Argonaut Dual Loading System". So, both machines are at least able to read the same media. Not very surprisingly, it turned out to be unreliable and was quickly abandoned, though. – Arnauld Dec 09 '18 at 00:44
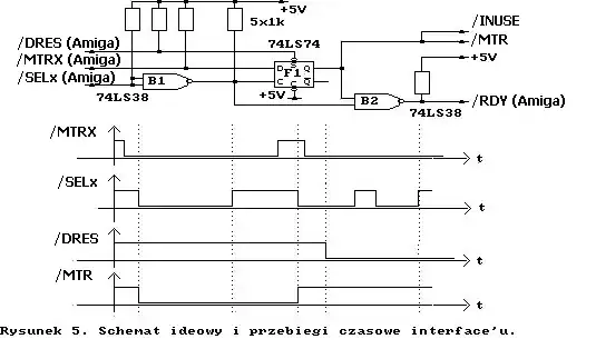
While both contain a standard floppy drive mechanism, Amiga external drives also have a control circuit which latches the /MTR signal and detects the drive. Without this circuit an Amiga will not know that the drive is connected or be able to keep the motor going between accesses.
Apart from changing the plug, to make an external Atari ST drive compatible with Amiga you would have to add a circuit like this:-
To use an Amiga external drive on an ST you could bypass its control circuit with a double pole switch which disconnects it from the /RDY and /MTR lines, and connects /MTR to /MTRX. You would also have to connect an external power supply, and of course make a cable to convert from 14 pin DIN to 23 pin D.
- 6,673
- 15
- 31
You'll find that the ST floppy drive works well in an Amiga...im using one on an A500 with no modification at all. The only issue is that it has no disk change click as the Amiga does.
- 1
-
2Hi and Welcome! I think you might have missed the "external floppy drive" qualifier on this particular question. – Brian H Nov 02 '18 at 21:47
-
@BrianH The external drive in an Amiga or ST isn't significantly different to the internal one - Well, except the connectors and drive select switches, obviously - But electronically, it's the same thing. – tofro Nov 03 '18 at 08:40
-
1@tofro Yes, obviously. But OP seems focused on the fact that external drives are the ones designed to easily plug from one machine to another. – Brian H Nov 03 '18 at 12:30
