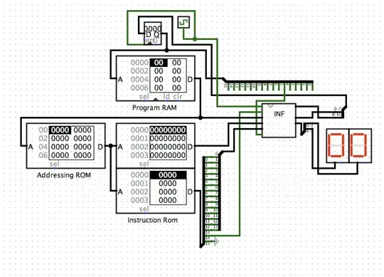
I am currently designing a watered-down version of the 6502 in Logisim. I am working off of Hanson's Block Diagram to build my subset. I have fully built the processor using the diagram and other resources as a reference in logisim, with the one exception being that I have combined the Random Control Logic And decode ROM into a single "Instruction ROM", seen below. Note that INF is the rest of the processor as a sub-circuit and the RAM is not fully wired yet.
I am at the the point of programming the control lines, and I am wondering if there is a place where I can find each opcode and the control lines sent out for each cycle of the clock. Is there a website or book that shows how each opcode is processed internally using either Hanson's terms or otherwise?
