I just took a closer look at my board, and a few of the resistors have pads but are not actually soldered on. It seems R4, 5, 7 and 10 by the GPIO header are absent, as well as 36 and 37 on the other side by the USB. Does anyone know what happened to them? Were they removed during CE testing?
3 Answers
With regards R4, R5, R7 & R10
The intention was to use these to idenfiy the board revision, and as such would be missing or present depending on which board.
Quote from Gert Van Loo, gratuitously stolen from the official forum here
There was original the idea to use those for a board revision (e.g. A/B) but I have been informed that there are at the moment no plans to use those pins in the software builds. If in the future a board revision number is required it is most likely to be programmed inside the BCM2835 alongside the MAC address. Certainly the current (B-boards only) builds do not use those pins
Additionally, this image shows how the pads could allow access to additional GPIO pins from the SoC, not currently available. Note: The resistors in question are marked NF (Not Fitted)

- 2,027
- 6
- 19
- 28
-
1What a waste of 4 GPIO pins! – Alex Chamberlain Jun 25 '12 at 07:30
-
2@AlexChamberlain: This sort of thing happens a lot. For example, the original IBM PC had a DMA controller that could do Memory-to-Memory transfers, but the pins to do this weren't connected up. – Skizz Jun 25 '12 at 13:46
-
Perfect. Thank you. Are these GPIO pins available in software? It seems as if a steady hand could lead to 3 or 4 extra pins. – teraquendya Jun 25 '12 at 19:25
-
@teraquendya - there's a question there I think... but the simple answer is YES, check the link in my answer for info. – Dog Ears Jun 25 '12 at 20:18
According to the schematics, R10, R36 and R37 only appear on the Model A boards, not Model B. As to why the R4, R5 and R7 resistors are not populated (and are marked as such on the schematic), it might be that they were put there for future use.
I don't see any notes stating why these resistor pads are on the board, but they are marked to not be populated for either model A or B. Considering the layout my guess is that these unknown resistors are for future updates and model designs.
I'm not an electrical engineer, but I have had to stare at a few wiring diagrams before. If someone can discern a bit more specific information, please feel free to comment and I'll update my answer.
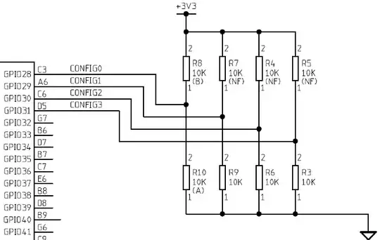
The resistors 4,5,6,7,8,9 and 10 create a 4 bits configuration key for the device. It is well described in the schematic as RLH pointed out. The reason the resistors R4,5,7 and 10 missing is to create a number 0x1 on the 4 configuration pins Config0-3 connected to those resistors (3 pull-down and 1 pull up) to identify your board as "Model B Revision 1.0" I believe this is something that is going to be used by the SW to indentify the version/revision of the PCB.
I believe the 2 other resistors R36 and R37 are placed there for a low cost version of the device where only one USB is going to be offered and the IC LAN9512 is no longer populated. By populating the 2 resistors, the USB signals of the BCM2835 are directly connected to the USB connector (the lower one or in the case of the single USB, the only USB).
Hope this clarifies your question.
- 1,837
- 2
- 16
- 20
-
2I believe that the resistors are now not used to identify the board, although that was the original intent, and that the model identifier is set along with the MAC address when the boards are manufactured. I'll try and find confirmation of this! – Dog Ears Jun 23 '12 at 13:56