I have a Bodnar GPS disciplined oscillator, and I would like to inject its output into the antenna input to my HF rig. This will allow me to compare the frequency of received unknown signals to the highly accurate Bodnar signal. There are a couple of problems here. First, the Bodnar output is far more powerful than the antenna input and so must be attenuated. Second, simply joining the two wires doesn't seem appropriate because at the very least it will cause an impedance mismatch. I'm only interested in receiving in the rig, not transmitting. How would I go about doing this?
-
1Is this Bodnar device connected to a computer (USB?) as well? I would verify that while connected, the receiver's noise floor doesn't increase...a computer is a noisy device. Noise coupling from computer/Bodnar to receiver might benefit by having no common ground connection. If you're only interested in HF, then your attenuator might be designed for very great attenuation below 3MHz and also above 30 MHz., while more modest attenuation over the HF range. – glen_geek Aug 22 '22 at 14:11
-
@glen_geek It's usually not, you only program it via one; see product page; I have too much equipment I'm not using anyway, but these have been high on my list of want-to-haves. – Marcus Müller Aug 22 '22 at 15:04
-
@MarcusMüller I have a LeoNTP and I quite enjoy it. Only one output (not programmable, 10MHz) but that's sufficient for my radio stuff, plus it's an NTP server, and a UTC clock right where I need it in the shack. Worth the price for its sheer set-and-forget reliability. – hobbs - KC2G Aug 23 '22 at 03:04
4 Answers
HF receivers and antennas are usually sensitive enough to receive signals when light bulbs are used as transmit antennas, even if attached to RF sources of around 10 to 20 dBm (typical digital outputs). Instead of a light bulb, you can attach a generic 50 Ohm dummy load to the output of your signal generator. If the dummy load isn't too far from the receiver or its antenna, the receiver might pick up the signal generator signal as well as signals off of the antenna, allowing you to compare their frequencies. This "air gap" connection both attenuates the digital signal, and reduces the possibility of ground loops or other DC offsets and low frequency AC noise getting coupled into your receiver.
- 13,316
- 6
- 45
- 76
First, to get this off my chest: The most "proper" way to be able to measure frequencies is of course to use an oscillator derived through ratio-guaranteeing ways from the GPS clock. That way, what your HF gear says is 30.0001 MHz is indeed 30.0001 MHz +- GPS receiver frequency error. Now, this requires a radio with a reference oscillator input that internally uses some locked-ratio synthesizer (e.g., most likely, rational or fractional-N synthesizers and/or DSP synthesis of the local oscillator). I have no idea whether that is a common feature on HF rigs. Maybe feeding in an LO directly is an option on your rig? If so, do that! Your Bodnar GPS device can generate LOs between 400 Hz and a couple 100 MHz.
Now, you're right:
First, the Bodnar output is far more powerful than the antenna input and so must be attenuated.
Luckily, SMA screw-in-line attenuators are cheap, and if you just need attenuation, and not precise attenuation, can be bought used / cheap.
Second, simply joining the two wires doesn't seem appropriate because at the very least it will cause an impedance mismatch.
Right, and you'd also be emitting your reference clock from your antenna!
So, honestly, as the simplest method, I'd probably use a coax / RF relay, to quickly switch between clock and antenna input.
Alternatively, you need a directive coupler, which isolates the antenna port from the oscillator port, but connects both to your rig's input. The Wilkinson Divider is probably the design of choice on HF:

Wilkinson power divider. Source: wikipedia page on the topic, image in public domain
You'll probably need to modify it, though! Say, in the above picture, your rig is at P1, your antenna at P2 and your clock source at P3. We know that fields in transmission lines superimpose linearly, so we can look at the different signals in isolation first and then add up our results.
Let's assume clock source and antenna reception are on the same frequency, which has wavelength $\lambda$. Look at the clock signal fed in from S3: it has to travel half a wavelength to get to P2. Which means the exact opposite phase arrives at P3 compared to P2! "Opposite phase" just means "negative amplitude"; and in other words, the voltage between P3 and P2 is always twice the voltage of P3 in itself; so, to match a load to terminate that pair, you need twice the wave impedance. Lo and behold: that's what $2\cdot Z_0$ is. So, at that port P2, the currents and E-fields from P3 coming through the termination resistor completely cancel with the half-a-wavelength-delayed version travelling around the ring.
For symmetry reasons, the same happens to antenna-originating (i.e., coming in from P2) signals at P3. However, at P1, both of these signals just add up. For the impedance matching to work, you need that ring to be $\sqrt{2}$ the impedance of the lines going to your rig, coming from the antenna and the oscillator source. Luckily, 75Ω line is a thing, and matching 50Ω to 75/$\sqrt 2$ Ω = 53 Ω at 10 to 30 MHz takes only little effort (if you can't live with the mismatch, which reduces the isolation).
One thing, though: As you can see, the cancellation here works because the wavelengths of the signals. They don't have to be identical – all that needs to happen is that the ring's circumference is an odd multiple of half the wavelength of each. So, you need to find the least common odd multiple of both half-wavelengths.
This becomes impossible to do when these frequencies change – sure, a 1 ‰ change in frequency (say, observing the band from 30 MHz - 30 kHz to 30 MHz + 30 kHz) will only slightly affect isolation, but it will. Because the radio signal is the weaker one, and there's also a lot of attenuation on P3 to "swallow" reflections, it's more important that the ring lenght is a perfect odd multiple of the GPS oscillator's half-wavelength. So: keep that constant, otherwise you'll be emitting a nice clean reference tone on HF, and I don't think your ham neighbors want you to provide a frequency standard on the ham bands!
Another corollary of this is that you must not have even multiples of the fundamental frequency of your reference oscillator. But guess what: Your Bodnar GPS outputs a square wave; a square wave luckily is composed of only odd harmonics,
$$s(t) = \frac{4}{\pi} \sum_{\ell=1}^\infty \frac{\sin\left(2\pi(2\ell - 1)ft\right)}{2\ell - 1}.$$
Since you still don't want to have high odd multiples (and even multiples, due to physics forbidding any square wave to be perfectly square) leaking around your system, you'd want to not only keep your GPS frequency fixed, but also have a good low-pass filter that filters out anything above the fundamental frequency (i.e., the frequency you want to compare to). The good thing is: this is relatively low-frequency, low power, and hence, a simple RC low pass filter with a a cutoff frequency slightly above your desired frequency can do that. As a bonus, you can design that filter to "as a byproduct" match 50Ω to 53Ω!
- 15,910
- 23
- 45
-
-
You're welcome! I was afraid I might be overloading you with information. If anything remains unclear, don't hesitate to ask for clarification, here, or even open up a new question post :) – Marcus Müller Aug 24 '22 at 07:28
The really simple option: make a coil out of a few turns of wire and connect it to the coax with the 10MHz, then lay the coil right on top of your radio's case. I bet you'll get enough signal leaking into the radio to serve as a marker, without the danger of overloading the radio, blowing up the Bodnar GPSDO, or radiating any noticeable amount of power out the antenna.
Feel free to experiment with the specs of the coil, but a starting point might be 4 turns of the thinnest insulated/enameled wire you have on hand, in a loop with a diameter of 5cm or so, and the turns laid right on each other (negligible "length"/"thickness" to the coil). You can either strip a piece of coax and connect it to the loop directly, or use one of those cheap ubiquitous BNC to binding-post adapters.
- 12,322
- 16
- 31
-
I got the Bodnar to inject into the rig input just by turning it on, but if that hadn't worked, doing the connection inductively as you suggest would be my next approach. – Bill KG5RMJ Aug 23 '22 at 15:53
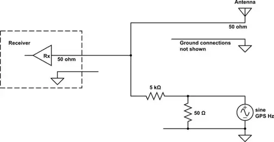
What you need is a crude splitter (or combiner, same thing) with a very unequal ratio.
I suggest something like this:

simulate this circuit – Schematic created using CircuitLab
Here the signal generator voltage is attenuated by about 100 x (40 dB) and the antenna signal is not attenuated at all. Normally a splitter would have resistors in all the paths, to maintain 50 ohms everywhere, but in this high ratio case you can easily work out that the matching is not compromised much by the parallel connection of the two paths. An equal fraction of the reference signal will also leak out of the antenna, but at these levels it should not matter.
You might find that 40 dB is not enough - in that case you will probably need to add SMA attenuators to the reference signal source, rather than increasing the value of the 5 k - the capacitive coupling in the board will leak at the -40 dB level anyway. It might not matter too much if the GPSDO signal is a lot stronger than the signal on the air, the AGC will adjust the volume. There's even a small benefit in that you won't have to switch, just let the reference tone dominate, when it's on.
Construction can be as messy as you like, but being careful with the ground will improve the isolation. Here is an example of a low pass filter I built recently - plain copper-clad PCB, copper tape and a sharp knife. You could adapt this to have three SMA connectors.
.
You could also buy a small RF splitter / mixer board on ebay and modify it to build the combiner you need:

Finally you could buy a real coupler with as large a ratio as possible, and add attenuation to the reference signal path. (These are from mini-circuits):
and one of these 
As has been mentioned, to measure frequency you might do better to lock the rig to the GPSDO and then measure the audio frequency of the received signal. Leo Bodnar sells coupling devices for some radios, or you may be able to inject the clock into the master oscillator somehow.
You could switch between reference and unknown signal, adjusting the GPSDO until it's close, and then use a smartphone app to measure the audio frequency of the two tones. This will be more accurate than your ear.
For reference, the amateur satellite hunters routinely measure the frequency of X-band (8 GHz) signals from deep space, to an accuracy of a few Hz, using a LeoBodnar GPSDO as a clock source for an Ettus SDR.
- 11,076
- 16
- 31