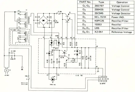
I assume you're looking at this schematic:

Pins 2 and 5 are ground, as indicated by the chassis-ground symbol they're wired to. Since 1 and 4 also come from the power supply's low-voltage side, they must be the +12V output.
Now, Pin 6 is going to the AC power cord, which is odd. But, if we follow the wire on pin 3 that is drawn parallel to it, we see that it goes to the transformer. So, there's a simple explanation for this: this is a circuit that allows the power supply to be turned on or off by a switch on the radio. If pins 3 and 6 are not connected, the power supply gets no power, and if they are it does.
So, there is no need to worry about those two pins if you are supplying battery power — you could wire a switch across them to be able to use the switch that is somewhere on the radio, or you can also ignore them entirely.
(Incidentally, the "110 or 240 V" description is referring to selecting the right current rating for the fuse given the supply voltage; it's not intended as a description of the function of the wire, but it did give you a hint!)
That was how to understand the pins, but if I identify this right, there's a much simpler solution to your problem: this looks like the de-facto-standard 6-pin power connector used on many HF radios. You can get a premade adapter from amateur radio accessory suppliers such as Powerwerx HF6-PP or MFJ MFJ-5535M. That simplifies things down to the two pins of an Anderson PowerPole connector, a very common connector to use for attaching batteries to amateur radio gear.
Of course, this requires a matching Anderson PowerPole plug on the battery, but you can also get such premade cables, or make your own — if you're at all interested in getting into portable or backup power, solar power systems, or just having several pieces of radio gear, it's quite useful to be able to make your own power cables to adapt various things to a common standard and to interoperate with other hams' gear and other equipment built for PowerPole connectors (e.g. including power meters and distribution boards), so getting a crimping tool for installing PowerPole connectors is a much more worthwhile investment than getting one for assembling one of those 6-pin plugs.