I'm in the process of building a RF buffer-amplifier chain for a VFO and I'm experiencing a design issue trying to impedance match between the sections.
The issue I'm having is that many (most) of the circuit designs documented are characterized with a source or load impedance of 50 ohms. Lets take the following snippet as an example:
Taken from here pg. 520. I've prototyped this buffer amp at 50 MHz and works quite nicely. It gives a gain of just over 3 and a power output of ~12dBm. But, the key point is that all of these characteristics are based on a reflected collector impedance of ~260 ohms and assume a 50 ohm load.
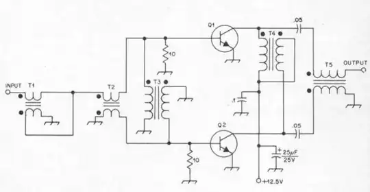
Now, I'd like to follow this pre-amplifier with a power amp and many of the examples I'd like to prototype have an impedance transformer at the input. Something like the following is very common:
And again, the amplifier is documented assuming the signal generator at the input has a 50 ohm output impedance.
In my case, I would like to combine these two amplifiers into a pre-amp and power amp chain. The obvious solution is to combine the transformers into a single transformer that presents ~260 ohms to the collector of the pre-amp and ~6 ohms at the base of each power transistor base (in the power amplifier shown T1 is a 4:1 impedance transformer => 50 ohms becomes 12.5 and each base sees half of that).
But, I've lost my fixed 50 ohm impedance. If I combine the transformers I make the collector load of the pre-amp directly dependent on the RF input impedance of the power amp transistors (which is nearly always a complex quantity and is non-trivial to measure).
So, I'd like to know if there are any "tricks" to pin the inter-stage impedance to a particular value or is there nothing for it but to characterize the input impedance of the power amp?


