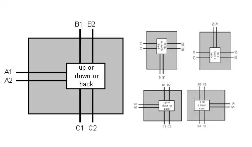
Working on a problem I came up with the following "T-gadget":

It has 3 connectors (A, B, C); each connector has two wires (A1,A2; B1,B2; C1,C2); it can be rotated (0, 90, 180, 270 degrees); two gadgets X and Y, can be linked together (one connector of X is joined with one connector of Y); the wires used to link the T-gadgets cannot overlap.
A signal is propagated on the wires; and it can use 1 or 2 connectors to traverse a T-gadget. Suppose that it enters through wire A1, then it can:
- go back through wire A2, OR
- choose among connector B or C - suppose that it chooses connector B; then it can exit the gadget through wire B1, re-enter through B2 and exit again through A2
When a signal enters a gadget and exits from the same connector, the gadget is "activated".
Possible traversals of a T-gadget:
(OUT) - A1 - A2 (OUT)
(OUT) - A1 - B1 - (OUT) - B2 - A2 - (OUT)
(OUT) - A1 - C1 - (OUT) - C2 - A2 - (OUT)
(OUT) - B1 - B2 (OUT)
(OUT) - B1 - A1 - (OUT) - A2 - B2 - (OUT)
(OUT) - B1 - C1 - (OUT) - C2 - B2 - (OUT)
(OUT) - C1 - C2 (OUT)
(OUT) - C1 - B1 - (OUT) - B2 - C2 - (OUT)
(OUT) - C1 - A1 - (OUT) - A2 - C2 - (OUT)
The signal starts on wire A1 of a gadget (with connector A unlinked) and must return to A2.
Question: is the problem: "Given a set of T-gadgets linked together, does exist a path that activates all of them?" $NP$-complete?
If we omit option 1 (go back through wire A2) I think that the problem is $NP$-complete (through reduction from Hamiltonian path problem on cubic planar graphs).