I'm a crypto enthusiastic and student of cryptography. I'm developing a project with other students titled "A hardware implementation of a DES cryptography for educational purposes", our idea was to make a simple version of DES encryption in a piece of hardware to help students that are learning cryptography understand better how this complex encryption method is implemented in hardware.
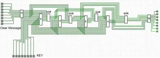
First, we started the system with an input of 8 bits to simplify the complexity and save space. Them, we created all the parts of DES cryptosystem (Initial Permutation, Feistel, XOR, Final Permutation).
Here is a image of our main system:
One of the important parts of the system is the Feistel Function. The Feistel part were divided in 4 parts, Expansion, Mixing, Substitution, Permutation. Each of these parts are implemented as following:
The expansion CI just take the bits and duplicate them putting the new bit in the adjacent output, this CI receive 4 bits of the right part of the input and outputs 8 bits. Mixing just take the first bit of the output of expansion and XOR with the first bit of the key(8 bits) and so on... the output is 8 bits. Now we have the most important part and the part that I personally think we're missing something. The Substitution in witch is the S-Box, this CI has an 8 bits input and these 8 bits are divided in two parts(because we developed only 4 bits S-Boxes) these parts enter the S-Box and the S-Box output is of 2 bits, when you see the S-boxes of DES, all of them uses a lookup table, we've the idea of using the Karnaught map for implementing this table.
And here is where we stopped, because we implemented all of this and had fail results like this:

The S-Box works like a lookup table on software but the system does not work, is there any specific way that these look up tables are created ? We couldn't see any pattern in the outputs of the table, do you guys have any material to help us ? I feel like this is the last thing to work on.
Thank you for reading it all. Please leave a comment! :) Thank you again!


