![]()
The logo is a derivative of the Arduino Community Logo licensed under Creative Commons license CC-SA-BY-NC 3.0
Update: Winners Announced
The winners of the contest have been announced. Please see the Meta post for details.
To celebrate 10 years of Arduino, we are proud to announce the first event ever on Arduino Stack Exchange.
Get your boards and soldering equipment out, dig out the ICs and resistors. The first Arduino Stack Exchange contest is just round the corner. We will be looking for interesting projects that are built using Arduinos. The contest is aimed towards sharing, discussing and providing feedback on projects that you and other members are working on. See announcement post
Details:
- The prize is an official Stack Exchange t-shirt
- Limit two entries per person. If more than two are provided, only the first two will be considered.
- Clones are allowed.
- Projects for consideration will be accepted through March 29th, 2014 at 4:00 UTC. The question will still remain open in case someone wants to show off their project they made on Arduino Day 2014.
Visit the Meta post for discussion about this event and further information.
Answer Format
You may post up to two projects (as two separate answers) as entries for the contest. All extra entries will be deleted. Consider following the following template for entries:
Project Title
Very Brief Description
Description
What is your project? What does it do? What problem does it solve?
Design
Things to include in this section:
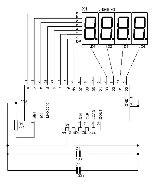
- Schematics and other design documentation. Fritzing is a good tool for drawing breadboard schematics like the one shown in the project logo above.
- Components used to build the project
- Pictures or video
Conclusion
Final thoughts. What did you learn from doing this project? What would you do differently if you had to start over?
You can copy/paste the following text if you want to use this template.
# Project Title
**Very Brief Description**
# Description
What is your project? What does it do? What problem does it solve?
# Design
Things to include in this section:
- Schematics and other design documentation. [Fritzing][8] is a good tool for drawing breadboard schematics like the one shown in the project logo above.
- Components used to build the project
- Pictures or video
# Conclusion
Final thoughts. What did you learn from doing this project? What would you do differently if you had to start over?
Prizes
There are two prizes! The winner will be the submission getting the maximum number of upvotes (downvotes do not count) and will get a Stack Exchange T-shirt*! There will be something for the runner-up as well. The runner-up will be decided at the discretion of the event organizers.
*Certain restrictions may apply. International shipping may take a few weeks.
Where do I submit my projects?
Post your projects as answers to this post.
















Image taken with webcam hanging over monitor... eek!



















