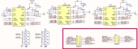
I'm using a DigiX (Arduino Due based 3.3V) board to connect to a GPRS/GSM SIM908 breakout board. The SIM908 EVB board has the following pins on its RS232:
I've got all three UART TX lines hooked up to the RX Lines (and RX to TX) on my Arduino but the board keeps resetting, which I would guess is some sort of voltage issue (I turned the board off immediately). However there are three MAX3232s on the underside of the board, which I thought would have made it so I could just connect the lines directly to the Arduino. Does anyone know why this might be happening or how to properly connect these two devices?
Additional info:
(The below links are in Chinese):
Here is a SIM908 Hardware guide.