Variator de frecvență
Un variator (sau convertizor) de frecvență (în engleză Variable Frequency Drive - VFD), numit și variator de turație (în engleză Variable Speed Drive - VSD), este un aparat care generează o tensiune electrică alternativă de frecvență variabilă, folosit pentru acționarea motoarelor electrice în aplicații unde este necesară varierea turației lor. Folosirea lor poate conduce la importante economii de energie electrică, ele eliminând de asemenea șocul de curent care apare la pornirea directă a motoarelor.
Principiul de funcționare

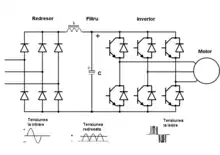
Variatoarele de frecvență sunt compuse din 3 părți principale, un redresor, un filtru capacitiv (sau capacitiv-inductiv) și un invertor. Comanda tranzistoarelor invertorului este dată de un microprocesor și are la bază metoda modulării în lățime a impulsurilor (în engleză PWM - Pulse Width Modulation).[1] Tranzistoarele sunt de obicei de tip IGBT (în engleză Insulated Gate Bipolar Transistor), și ele comută la frecvențe de ordinul 2-20 kilohertzi. Mărirea acestei frecvențe produce un curent mai „sinusoidal” ceea ce rezulta in mai puțin zgomot prin motor, însă proporțional cresc și pierderile de comutație; Alte dezavantaje sunt: creșterea interferentei electromagnetice si reducerea lungimii maxime permise a cablului electric dintre variator și motor.
În același timp cu frecvența se modifică și valoarea tensiunii, pentru a păstra un cuplu dezvoltat de motor constant. De exemplu, dacă motorul operează în regim nominal la 400V și 50 Hz, când reducem viteza lui la jumătate, deci frecvența la 25 Hz, tensiunea de alimentare va fi scăzută de variator, în mod automat, la 200V. De reținut că tensiunea este formată de fapt din pulsuri, reducerea tensiunii însemnând de fapt reducerea lățimii pulsurilor. Funcționarea la viteze (frecvențe) peste cea nominală este posibilă; în acest caz tensiunea va rămâne constantă, ceea ce va conduce la o scădere a cuplului dezvoltat de motor.
Variatoarele de frecvență pot funcționa în buclă deschisă sau buclă închisă. În buclă deschisă înseamnă că nu au nici o informație despre viteza reală a motorului acționat. În acest caz se folosește o modelare matematică a motorului, în memoria microprocesorului, astfel încât în funcție de curentul absorbit de acesta se poate face o estimare a vitezei sale. Această metodă funcționează bine peste frecvențe de 10 Hz. Pentru o bună funcționare în tot domeniul de turație se folosesc encodere montate pe motor, care trimit microprocesorului poziția rotorului în timp real (funcționare în buclă închisă).
Modele de variatoare de frecvență
Variatoarele folosite în joasă tensiune se găsesc în modele variind de la 0,2 kW până la 750 kW. În medie tensiune ele generează tensiuni tipice de 2400V, 3300V sau 4160V. Pentru motoare de tensiuni mai mari se folosesc transformatoare electrice ridicătoare montate la ieșirea din variator.
Vezi și
- en What is a Variable Frequency Drive Arhivat în , la Wayback Machine.
- en Arhivat în , la Wayback Machine.
Note
- „copie arhivă” (PDF). Arhivat din original (PDF) la . Accesat în .