Teorema lui Norton
Teorema lui Norton este o metodă de reducere a rețelei la un circuit echivalent compus dintr-o singură sursă de curent, un rezistor în paralel și o sarcină în paralel.

Orice cutie neagră conține numai surse de tensiune, surse de curent, și rezistențe care pot fi convertite într-un circuit echivalent Norton.
Exemple de circuite echivalente Norton
![]() Pasul 0: Circuitul original | ![]() Pasul 1: Calcularea curentului echivalent | ![]() Pasul 3: Calcularea rezistenței echivalente |

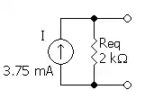
Pasul 4: Circuitul echivalent
În exemplu, curentul total Itotal este dat de:
Curentul prin sarcină este apoi, folosind regula divizării curentului:
Și rezistența echivalentă privind înapoi în circuit este:
Deci, circuitul echivalent este o sursă de curent de 3.75 mA în paralel cu un rezistor de 2 kΩ.
Conversia la teorema Thévenin

Curentul Norton este egal cu raportul dintre tensiunea și rezistența Thevenin prin următoarele ecuații:
Legături externe
This article is issued from Wikipedia. The text is licensed under Creative Commons - Attribution - Sharealike. Additional terms may apply for the media files.


