Reacție
Reacția apare atunci când ieșirile unui sistem sunt utilizate ca date de intrare, ca parte a unui lanț de cauze și efecte care formează un circuit sau o buclă.[2] Noțiunea de cauză-efect trebuie să fie manipulată cu grijă atunci când se aplică la sisteme de reacție:
„Este dificil de aplicat un raționament cauzal simplu unui sistem cu reacție, deoarece primul [sub]sistem îl influențează pe al doilea, iar al doilea pe primul, ceea ce duce la un argument circular. Aceasta face ca raționamentul de tip cauză-efect să fie dificil, iar sistemul trebuie analizat doar în ansamblu.”


Istoria
Mecanisme cu autoreglare au existat încă din antichitate, dar conceptul a început să intre teoria economică britanică prin secolul al XVIII-lea, nefiind însă la acea dată recunoscut ca un concept abstract universal valabil, și deci nu avea un nume.[3]
În engleză, expresia „to feed back”, cu sensul de revenire la o poziție anterioară într-un proces mecanic, se folosea în Statele Unite prin anii 1860,[4][5] iar în 1909, laureatul Premiului Nobel Karl Ferdinand Braun a folosit termenul de "feed-back" ca substantiv pentru a desemna cuplarea (nedorită) între componentele unui circuit electronic.[6]
Până la sfârșitul anului 1912, cercetătorii ce foloseau unele din primele amplificatoare electronice (audioni) au descoperit că dacă se cuplează în mod deliberat o parte a semnalului de ieșire înapoi în circuitul de intrare, se stimulează amplificarea (prin regenerare), dar se provoacă și producerea de artefacte sonore.[7] Această acțiune de aducere a semnalului de ieșire la intrare a dat naștere utilizării termenului de „feedback” drept cuvânt distinct prin 1920.
De-a lungul anilor au existat dispute cu privire la cea mai bună definiție a conceptului. Potrivit lui Ashby(d) (1956), matematicienii și teoreticienii interesați de principiile mecanismului de reacție preferă definiția de circularitate a acțiunii, care ține teoria simplă și coerentă. Pentru cei care au scopuri mai practice, reacția ar trebui să fie un efect deliberat obținut printr-o conexiune mai concretă.
- "[Experimentatorii practici] se opun definiției matematicienilor, subliniind că aceasta i-ar obliga să spună că feedbackul era prezent și în pendulul obișnuit ... între poziția și impulsul său—un «feedback» care, din punct de vedere practic, este întrucâtva mistic. Acestei afirmații, matematicienii îi răspund că dacă se consideră că feedbackul este prezent doar atunci când există un fir sau un nerv care îl reprezintă, atunci teoria devine haotică și plină de inadvertențe.”(p54)
Concentrându-se asupra utilizării conceptului în teoria managementului, Ramaprasad (1983) definește feedbackul, în general, ca „...informație despre decalajul dintre nivelul efectiv și nivelul de referință al unui parametru al sistemului”, care este folosit pentru a „modifica decalajul într-un fel”. El subliniază că informația în sine nu constituie feedback dacă nu se traduce printr-o acțiune.[8]
Tipuri
Reacție pozitivă și negativă

Există două tipuri de reacție: reacție pozitivă și reacție negativă(d).
Ca exemplu de reacție negativă, diagrama poate reprezenta, de exemplu, un sistem de cruise control al unei mașini, care încearcă să mențină o viteză țintă, cum ar fi limita de viteză. Sistemul controlat este mașina; intrări sunt cuplul motorului și de la variația pantei drumului (perturbația). Viteza mașinii (starea) este măsurată de un vitezometru. Semnalul de eroare este devierea vitezei măsurate de vitezometru față de viteza țintă (punctul de referință). Acest eroare măsurată este interpretată de către controller pentru a regla acceleratorul, comandând debitul de combustibil pentru motor. Modificarea are ca rezultat modificarea cuplului motorului, reacția combinând schimbarea pantei cu cuplul actual pentru a reduce eroarea de viteză, minimizând efectul perturbației.
Termenii „pozitiv” și „negativ” s-au aplicat pentru prima dată înainte de al Doilea Război Mondial. Ideea de reacție pozitivă era deja de actualitate în 1920, cu introducerea de circuitului regenerativ(d).[9] Friis și Jensen (1924) au descris regenerarea într-un set de amplificatoare electronice drept caz de utilizare în care acțiunea de „feed-back” este pozitivă, spre deosebire de acțiunea negativă, pe care o menționau doar în treacăt.[10] Lucrarea clasică din 1934 a lui Harold Stephen Black detaliază pentru prima oară utilizarea reacției negative în amplificatoare electronice. Conform lui Black:
- „Reacția pozitivă crește amplificarea amplificatorului, cea negativă o reduce.”[11]
Conform lui Mindell (2002), a apărut la scurt timp o confuzie de termeni:
- „...Friis și Jensen făcuseră aceeași distincție pe care o folosise și Black între reacția pozitivă și cea negativă, nu pe baza semnului reacției în sine, ci pe baza efectului asupra amplificării. În contrast, Nyquist și Bode, când au elaborat activitatea lui Black, vorbeau despre reacția negativă ca fiind cea unde se inversează semnul. Lui Black i-a fost greu să-i convingă pe alții de utilitatea invenției lui în parte din cauză că plana confuzie asupra aspectelor de bază ale definiției.”(p121)
Chiar înainte ca termenii să fie aplicați, James Clerk Maxwell descria mai multe tipuri de „mișcări componente” asociate cu regulatoarele centrifugale(d) folosite în motoarele cu aburi, făcând distincția între cele care conduc la o creștere continuă a unei perturbații sau a amplitudinii unei oscilații, și cele care conduc la o scădere a acelora.[12]
Terminologie
Termenii de reacție pozitivă și negativă sunt definite în diferite moduri în diferite discipline.
- modificarea unui decalaj între valorile reale și cele de referință ale unui parametru, depinzând dacă diferența este de mărire (pozitivă) sau de reducere (negativă).
- valența acțiunii sau efectul care modifică diferența, depinzând dacă acesta are un efect dorit (pozitiv) sau nefdorit (negativ) de către destinatar sau observator.[13]
Cele două definiții pot provoca confuzie, cum ar fi atunci când un stimulent (recompensa) este folosită pentru a stimula o performanță insuficientă (a reduce un decalaj). Referindu-se la definiția 1, unii autori folosesc termeni alternativi, înlocuind pozitiv/negativ cu autoagregare/autocorectare,[14] agregare/echilibrare,[15] consolidare a discrepanței/reducere a discrepanței[16] sau, respectiv, regenerativ/degenerativ.[17] Și pentru definiția 2, unii autori susțin descrierea unei acțiuni sau a unui efect ca întărire sau pedeapsă pozitivă/negativă, mai degrabă decât ca reacție.[18] Totuși, chiar și în cadrul unei singure discipline, același exemplu de feedback poate fi numit pozitiv sau negativ, în funcție de cum sunt măsurate sau denumite valorile.[19]
Această confuzie poate apărea pentru că reacția poate fi folosită fie pentru informare, fie pentru motivare, și de multe ori are atât o componentă calitativă, cât și una cantitativă. Connellan și Zemke (1993) spuneau:
- „Feedbackul cantitativ ne spune cât de mult și cât de mulți. Feedbackul calitativ ne spune cât de bun, rău sau indiferent.”[20](p102)
Limitările reacției pozitive și negative
În timp ce sistemele simple pot fi uneori descrise ca fiind de un tip sau de altul, multe sisteme cu bucle de reacție pot să nu fie atât de ușor de desemnat ca pur și simplu pozitive sau negative, iar acest lucru este valabil mai ales atunci când sunt prezente mai multe bucle.
- „Atunci când există numai două părți alăturate, astfel încât se afectează reciproc, proprietățile reacției dau informații importante și utile despre proprietățile întregului. Dar atunci când numărul de părți crește chiar și peste un prag de patru, dacă fiecare le afectează și pe celelalte trei, atunci se pot trasa prin ele douăzeci de circuite; și chiar din proprietățile tuturor celor douăzeci de circuite nu rezultă informații complete despre sistem.”(p54)
Alte tipuri de reacție
În general, sistemele cu reacție pot să aibă mai multe semnale aduse înapoi, iar bucla de reacție să conțină adesea amestecuri de reacție pozitivă și negativă, unde una sau alta pot domina la frecvențe diferite sau în puncte diferite din spațiul de stări ale sistemului.
Termenul de reacție bipolară a fost inventat pentru a se referi la sistemele biologice în care sistemele de reacție pozitivă și negativă pot interacționa, unde ieșirea unuia afectează intrarea altuia, și vice-versa.[21]
Unele sisteme cu reacție poate avea comportamente foarte complexe, cum ar fi comportamentul haotic în sisteme neliniare, în timp ce altele au comportamente mult mai previzibile, cum ar fi cele care sunt folosite pentru a crea și proiecta sisteme digitale.
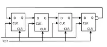
Reacția este utilizată pe scară largă în sistemele digitale. De exemplu, numărătoarele binare și dispozitivele similare folosesc reacția unde starea actuală și intrările sunt utilizate pentru a calcula noua stare, care este apoi transmisă înapoi în ritmul unui tact pentru a o actualiza la următorul tact.
Aplicații
Sisteme dinamice
Prin utilizarea proprietăților reacției, comportamentul unui sistem poate fi modificat pentru a satisface nevoile unei aplicații; sistemele pot fi făcute să fie stabile, să răspundă rapid sau să ramână constante. S-a demonstrat că sistemele dinamice cu reacție au o adaptare la limita haosului(d).[22]
Biologie
În sistemele biologice, cum ar fi organismele, ecosistemele, sau biosfera, cei mai mulți parametri trebuie să rămână sub control într-un interval îngust în jurul unui anumit nivel optim în anumite condiții de mediu. Abaterea de la valoarea optimă a parametrului controlat poate duce la schimbări în mediile interne și externe. O schimbare de condiții de mediu poate impune și schimbarea acestui interval pentru a modifica sistemul și a-l aduce înapoi în stare de funcționare. Valoarea parametrului de menținut este înregistrată de către un sistem de recepție și a transmisă unui modul de reglare prin intermediul unui canal de informare. Un exemplu în acest sens îl constituie oscilațiile insulinei(d).
Sistemele biologice conțin mai multe tipuri de circuite de reglaj, atât pozitive, cât și negative. Ca și în alte contexte, pozitiv și negativ nu înseamnă că reacția are efecte bune sau rele. O buclă de reacție negativă este una care tinde să încetinească un proces, în timp ce bucla de reacție pozitivă tinde să-l accelereze. Neuronii oglindă fac parte dintr-un sistem de feedback social, atunci când o acțiune observată este „oglindită” de creier—ca o acțiune autoefectuată.
Reacția este esențială și pentru operațiile genelor și a rețelelor de reglaj al genelor(d). Proteinele represoare(d) sau activatoare(d) sunt folosite pentru a crea operoni genetici, identificați de către Francois Jacob și Jacques Monod în 1961 ca bucle de reacție. Aceste bucle de reacție pot fi pozitive (ca în cazul cuplării între o moleculă de zahăr și proteinele care importă zahăr într-o celulă bacteriană), sau negative (cum este adesea cazul în consumul metabolic).
Pe o scară mai mare, reacția poate avea un efect stabilizator asupra populațiilor de animale, chiar și atunci când profund afectate de schimbările externe, deși întârzierea răspunsului pe bucla de reacție poate da naștere la cicluri prădător-pradă(d).[23]
În zimologie, reacția servește ca reglare a activității enzimei de către produșii ei direcți sau de către metaboliții ulteriori de pe calea metabolică (vezi reglarea alosterică).
Axa hipotalamus–hipofiză–suprarenale(d) este controlată în mare parte de reacție pozitivă și negativă, din care mare parte este încă necunoscută.
În psihologie, corpul primește un stimul din mediu sau intern, care determină eliberarea de hormoni. Eliberarea de hormoni poate apoi provoca eliberarea mai multir astfel de hormoni, provocând o buclă de reacție pozitivă. Acest ciclu se găsește și în anumite comportamente. De exemplu, „buclele rușinii” apar la persoanele care roșesc ușor. Când își dau seama că roșesc, devin și mai jenați, ceea ce la o îmbujorată și mai accentuată, și așa mai departe.[24]
Clima
Sistemul climatic este caracterizat prin puternice bucle de reacție pozitive și negative între procesele care afectează starea atmosferei, oceanului și uscatului. Un exemplu simplu este cel al buclei de reacție pozitivă gheață-albedo(d), prin care topirea zăpezii expune teren mai întunecat (cu albedo mai mic), care, la rândul său, absoarbe căldura mai mult și provoacă topirea a și mai multă zăpadă.
Teoria controlului
Reacția este utilizată pe scară largă în teoria controlului, folosind o varietate de metode, inclusiv spațiul de stări(d), reacția de stare completă(d), și așa mai departe. În contextul teoriei controlului, reacția se presupune de obicei a fi negativă.[25]
Cele mai frecvente controllere(d) generice care folosesc un mecanism cu buclă de control sunt controllerele proporțional-integral-derivat(d) (PID). Euristic, termenii unui controler PID pot fi interpretați ca fiind corespunzători timpului: termenul proporțional depinde de eroarea prezentă, cel integral de acumularea erorilor din trecut, și cel derivat este o prezicere a erorilor viitoare, pe baza ratei actuale de schimbare.[26]
Inginerie mecanică
În antichitate, flotorul(d) era folosit pentru a regla debitul de apă în ceasurile cu apă(d) greco-romane; flotoarele sunt folosite, similar, pentru a regla combustibilul în carburatoare și nivelul de apă în rezervoarele toaletelor(d).
Inventatorul olandez Cornelis Drebbel(d) (1572-1633) a construit termostate (c. 1620) pentru a controla temperatura incubatoarelor de pui și a cuptoarelor chimice. În 1745, morile de vânt au fost îmbunătățite de către fierarul Edmund Lee, care a adăugat un evantai de orientare(d) pentru a păstra moara de vânt îndreptată pe direcția vântului. În 1787, Tom Mead(d) a reglat viteza de rotație a unei mori de vânt prin utilizarea unui pendul centrifugal pentru a regla distanța între bază și piatra mobilă (de exemplu, pentru a regla sarcina).
Utilizarea regulatorului centrifugal(d) de către James Watt în 1788 pentru a a regla viteza motorului său cu aburi a fost un factor care a dus la Revoluția Industrială. Motoarele cu abur utilizau și flotoare și supape de eliberare a presiunii(d) ca dispozitive de reglaj mecanic. O analiză matematică a regulatorului lui Watt a fost făcută de către James Clerk Maxwell în 1868.
Great Eastern(d) a fost unul dintre cele mai mari vapoare ale vremii sale și folosea o cârmă alimentată un aburi cu mecanism de reacție conceput în 1866 de John McFarlane Gray(d). Joseph Farcot(d) a inventat cuvântul servo în 1873 pentru a descrie sistemele de direcție cu aburi. Servourile hidraulice au folosit mai târziu folosite pentru pozițiarea tunurilor. Elmer Ambrose Sperry de la Sperry Corporation(d) a proiectat primul pilot automat în 1912. Nicholas Minorsky(d) a publicat o analiză teoretică a controlului automat al direcției vaselor în 1922 și a descris controllerul PID(d).[27]
Motoarele cu ardere internă din secolul al XX-lea foloseau mecanisme mecanice de reacție, cum ar fi sincronizarea cu vid a aprinderilor(d), dar reacția mecanică a fost înlocuit de sistemele electronice de management al motorului(d) după ce au devenit accesibile microcontrolere robuste și puternice cu un singur chip.
Ingineria electronică

Utilizarea reacției este larg răspândită în proiectarea de amplificatoare, oscilatoare, și elemente de circuite logice cu stare electronice, cum ar fi flip-flopurile și numărătoarele. Sistemele electronice cu reacție sunt foarte frecvent folosite și pentru a controla procese mecanice, termice și alte procese fizice.
Dacă semnalul este inversat pe drumul său în bucla de reacție, sistemul are reacție negativă(d);[29] în caz contrar, reacția este pozitivă. Reacția negativă este de multe ori introdusă deliberat pentru a crește stabilitatea(d) și precizia unui sistem corectând sau reducând influența modificărilor nedorite. Această schemă poate eșua dacă intrarea se schimbă mai rapid decât poate sistemu să răspundă la ea. Când se întâmplă acest lucru, întârzierea semnalului de corectare poate duce la supracorectare, făcând ca ieșirea să oscileze.[30] Deși adesea o consecință nedorită a comportamentului sistemului, acest efect este folosit în mod deliberat în oscilatoarele electronice.
Harry Nyquist a inventat caracteristica Nyquist(d) pentru evaluarea stabilității sistemelor cu reacție. O evaluare mai ușoară se bazează pe marja de amplificare și fază(d) folosind caracteristici Bode(d) (create de Hendrik Bode(d)).
Buclele electronice de reacție sunt folosite pentru a controla ieșirea dispozitivelor electronice, cum ar fi amplificatoarele. O buclă de reacție se creează atunci când toată ieșirea sau o parte a ei este alimentată înapoi la intrare. Se spune că un dispozitiv funcționează în buclă deschisă dacă nu există reacție, și în buclă închisă dacă se folosește reacția.[31]
Atunci când două sau mai multe amplificatoare sunt cuplate încrucișat folosind reacția pozitivă, se pot crea comportamente complexe. Aceste multivibratoare(d) sunt utilizate pe scară largă și includ:
- circuitele astabile, care acționează ca oscilatoare;
- circuitele monostabile, care poate fi împins într-o stare, după care revin la starea stabilă după un timp;
- circuite bistabile, care au două stări stabile între care circuitul poate comuta
Reacția negativă
Reacția negativă apare atunci când semnalul de ieșire adus la intrare este defazat cu 180° față de semnalul de intrare. Reacția negativă poate fi folosit pentru a corecta erori de ieșire sau pentru a desensibiliza un sistem față de fluctuațiile nedorite.[32] În amplificatoarele cu reacție, această corecție este, în general, folosită pentru reducerea distorsiunilor formei de undă sau pentru a stabili un nivel de amplificare.
Reacția pozitivă
Reacția pozitivă apare atunci când semnalul adus înapoi este în fază cu semnalul de intrare. În anumite condiții de amplificare, reacția pozitivă întărește semnalul de intrare până în punctul în cazul în care datele de ieșire ale dispozitivului oscilează între starea maximă și minimă posibile. Reacția pozitivă poate introduce și histerezisuri într-un circuit. Aceasta poate face ca circuitul să ignore semnalele slabe și să răspundă numai la cele mari. Uneori este folosit pentru a elimina zgomotele dintr-un semnal digital. În anumite circumstanțe, reacția pozitivă poate face un dispozitiv să se blocheze, adică să ajungă la o stare în care ieșirea este blocată la starea maximă sau minimă. Acest fapt este foarte utilizat pe scară largă în electronica digitală pentru a face circuite bistabile pentru stocarea de informații volatile.
Țiuiturile puternice care apar uneori în sistemele audio, stațiile de amplificare(d), și în muzica rock sunt cunoscute ca feedback audio(d). Dacă un microfon este în apropierea unui difuzor la care este conectat, orice sunet mic pe care microfonul îl preia este transmis în difuzor, și de acolo preluat din nou de microfon și reamplificat. Dacă bucla de reacție este suficientă, amplificatorul poate produce țiuituri la puterea maximă a amplificatorului.
Oscilatoare

Un oscilator electronic este un circuit electronic care produce un semnal periodic oscilant, de multe ori o undă sinusoidală sau o undă pătrată(d).[33][34] Oscilatoare convertesc curentul continuu (CC) de la o sursă de alimentare la un semnal de curent alternativ. Ele sunt utilizate pe scară largă în multe dispozitive electronice. Exemple comune de semnale generate de oscilatoare sunt semnalele difuzate de emițătoarele radio și de televiziune, semnalele de ceas care reglează calculatoarele și ceasurile cu cuarț, și sunetele produse de pagerele electronice și jocurile video.
Oscilatoarele sunt adesea caracterizate prin frecvența semnalului lor de ieșire:
- Un oscilator de joasă frecvență(d) este un oscilator electronic care generează o frecvență de sub ≈20 Hz. Acest termen este folosit de obicei în domeniul sintetizatoarelor audio, pentru a le distinge de un oscilator de frecvență audio.
- Un oscilator audio produce frecvențe din gama audio(d), de la aproximativ 16 Hz la 20 kHz.
- Un oscilator de radiofrecvență produce semnale în gama radio-frecvențelor (RF) de aproximativ 100 kHz la 100 GHz.
Oscilatoarele concepute pentru a produce semnal alternativ de mare putere de la o alimentare de curent continuu sunt de obicei numite invertoare.
Există două tipuri principale de oscilator electronic: oscilatorul liniar sau armonic și oscilatorul neliniar sau de relaxare(d).[35]
Circuite basculante


Un circuit basculant este un circuit cu două state stabile care pot fi utilizate pentru a stoca informații de stare. Ele sunt de obicei construite folosind bucle de reacție prin două brațe ale circuitului, pentru a oferi circuitului o stare. Circuitul poate fi făcut să-și schimba starea semnalului aplicat la una sau mai multe intrări de control și va avea una sau două ieșiri. Acesta este principalul element de stocare în logica secvențială(d). Circuitele basculante sunt elementele fundamentale ale sistemelor electronice digitale utilizate în computere, comunicații, și multe alte tipuri de sisteme.
Circuitele basculante sunt folosite și elemente de stocare a datelor. O astfel de stocare a datelor poate fi folosită pentru depozitarea stării, și un astfel de circuit este descris ca circuit logic secvențială. Atunci când este utilizat într-o mașină cu stări finite, ieșirea și starea următoare depind nu numai la intrarea curentă, ci și de starea actuală (și, prin urmare, de intrările anterioare). Acesta poate fi folosite și pentru numărarea de impulsuri, pentru sincronizarea semnalelor de intrare variabil-temporizate pentru unele semnale de referință.
Circuitele basculante pot fi simple (transparente sau opace) sau sincronizate. Circuitele basculante sincronizate se numesc de regulă flip-flop, deși istoric acest termen s-a folosit și pentru cele simple; cele simple sunt de obicei numite latch-uri.[36][37]
Software
Buclele de reacție oferă mecanisme generice de control pentru funcționarea, întreținerea, și evoluția software-ului și a sistemelor de calcul.[38] Buclele de reacție sunt modele importante în ingineria software-ului adaptiv, întrucât definesc comportamentul interacțiunilor dintre elementele de control față de procesul de adaptare, pentru a garanta proprietățile sistemului la run-time. Buclele de reacție și fundamentele teoriei controlului au fost aplicate cu succes la sistemele de calcul.[39] În special, acestea au fost aplicate pentru dezvoltarea de produse, cum ar fi IBM Universal Database server și IBM Tivoli. Din perspectivă software, bucla autonomă (MAPE, monitor analyze plan execute) propusă de cercetătorii de la IBM este o altă contribuție valoroasă la cererea de bucle de reacție pentru controlul proprietăților dinamice și proiectarea și evoluția sistemelor autonome software.[40][41]
Feedbackul video
Feedback video este echivalentul video al feedbackului acustic. Acesta implică o buclă între intrarea unei camere video și un ecran de televizor sau monitor. Îndreptarea camerei spre monitor produce o imagine video complexă bazată pe feedback.[42]
Economie și finanțe
Piața bursieră este un exemplu de sistem predispus la oscilații puternice, guvernate de reacții pozitive și negative care rezultă din factori cognitivi și emoționali în rândul actorilor de pe piață. De exemplu:
- Atunci când acțiunile sunt în creștere, credința că creșterea va continua dă investitorilor un stimulent să cumpere (reacție pozitivă—consolidează creșterea); dar creșterea prețului acțiunilor, și conștitentizarea faptului că trebuie să existe un vârf, după care piața scade, sfârșește prin a descuraja cumpărătorii (reacție negativă—stabilizarea creșterii).
- Odată ce piața începe să scadă în mod regulat, unii investitori pot aștepta în continuare zile de pierdere și se vor abține de la a cumpăra (reacție pozitivă—consolidarea scăderii), dar alții pot cumpăra, pentru că acțiunile deveni din ce în ce mai ieftine (reacție negativă—stabilizarea scăderii).
George Soros a folosit cuvântul reflexivitate(d), pentru a descrie reacția de pe piețele financiare și a dezvoltat o teorie a investițiilor bazată pe acest principiu.
Modelul convențional al echilibrului economic al cererii și ofertei acceptă numai reacție negativă ideală liniară și a fost puternic criticat de către Paul Ormerod(d) în cartea sa The Death of Economics(d), care, la rândul său, a fost criticată de către economiștii tradiționaliști. Această carte a făcut parte dintr-o schimbare de perspectivă și economiștii au început să recunoască teoria haosului aplicată la sistemele cu reacție neliniară, inclusiv piețele financiare.
Referințe
- W. Ross Ashby (). An introduction to cybernetics (PDF). Chapman & Hall.
- Andrew Ford (). „Chapter 9: Information feedback and causal loop diagrams”. Modeling the Environment. Island Press. pp. 99 ff. ISBN 9781610914253.
This chapter describes causal loop diagram(d)s to portray the information feedback at work in a system. The word causal refers to cause-and-effect relationships. The wordloop refers to a closed chain of cause and effect that creates the feedback.
- Otto Mayr(d) (). Authority, liberty, & automatic machinery in early modern Europe. Johns Hopkins University Press. ISBN 0-8018-3939-4.
- "Heretofore ... it has been necessary to reverse the motion of the rollers, thus causing the material to travel or feed back, ..." HH Cole, "Improvement in Fluting-Machines", US Patent 55,469 (1866) accessed 23 Mar 2012.
- "When the journal or spindle is cut ... and the carriage is about to feed back by a change of the sectional nut or burr upon the screw-shafts, the operator seizes the handle..." JM Jay, "Improvement in Machines for Making the Spindles of Wagon-Axles", US Patent 47,769 (1865) accessed 23 Mar 2012.
- "...as far as possible the circuit has no feed-back into the system being investigated." Karl Ferdinand Braun, "Electrical oscillations and wireless telegraphy", Nobel Lecture, 11 December 1909. Retrieved 19 Mar 2012.
- Stuart Bennett (). A history of control engineering, 1800–1930. Stevenage; New York: Peregrinus for the Institution of Electrical Engineers. ISBN 0-906048-07-9.
- Arkalgud Ramaprasad, "On The Definition of Feedback", Behavioral Science, Volume 28, Issue 1. 1983. Online PDF last accessed 16 March 2012.
- David A. Mindell (). Between Human and Machine : Feedback, Control, and Computing before Cybernetics. Baltimore, MD, US: Johns Hopkins University Press.
- Friis, H.T., and A.G.Jensen. "High Frequency Amplifiers" Bell System Technical Journal 3 (April 1924):181–205.
- H.S. Black, "Stabilized feed-back amplifiers", Electrical Engineering, vol. 53, pp. 114–120, Jan. 1934.
- Maxwell, James Clerk (). „On Governors” (PDF). 16. Proceedings of the Royal Society of London: 270–283.
- Herold, David M., and Martin M. Greller. "Research Notes. FEEDBACK THE DEFINITION OF A CONSTRUCT." Academy of management Journal 20.1 (1977): 142-147.
- Peter M. Senge (). The Fifth Discipline: The Art and Practice of the Learning Organization. New York: Doubleday. p. 424. ISBN 0-385-26094-6.
- John D. Sterman, Business Dynamics: Systems Thinking and Modeling for a Complex World, McGraw Hill/Irwin, 2000. ISBN: 978-0-07-238915-9
- Charles S. Carver, Michael F. Scheier: On the Self-Regulation of Behavior Cambridge University Press, 2001
- Hermann A Haus and Richard B. Adler, Circuit Theory of Linear Noisy Networks, MIT Press, 1959
- BF Skinner, The Experimental Analysis of Behavior, American Scientist, Vol. 45, No. 4 (SEPTEMBER 1957), pp. 343-371
- "However, after scrutinizing the statistical properties of the structural equations, the members of the committee assured themselves that it is possible to have a significant positive feedback loop when using standardized scores, and a negative loop when using real scores." Ralph L. Levine, Hiram E. Fitzgerald. Analysis of dynamic psychological systems: methods and applications, ISBN: 978-0306437465 (1992) page 123
- Thomas K. Connellan and Ron Zemke, "Sustaining Knock Your Socks Off Service" AMACOM, 1 July 1993. ISBN: 0-8144-7824-7
- Alta Smit; Arturo O'Byrne (). „Bipolar feedback”. Introduction to Bioregulatory Medicine. Thieme. p. 6. ISBN 9783131469717. Mai multe valori specificate pentru
|autor=și|nume=(ajutor); Mai multe valori specificate pentru|autor2=și|nume2=(ajutor) - Wotherspoon, T.; Hubler, A. (). „Adaptation to the edge of chaos with random-wavelet feedback”. J. Phys. Chem. A. doi:10.1021/jp804420g. Mai multe valori specificate pentru
|DOI=și|doi=(ajutor) - CS Holling. "Resilience and stability of ecological systems". Annual Review of Ecology and Systematics 4:1-23. 1973
- Scheff, Thomas (). „The Emotional/Relational World”. Psychology Today. Accesat în . Mai multe valori specificate pentru
|nume=și|last=(ajutor) - "There is a tradition in control theory that one deals with a negative feedback loop in which a negative sign is included in the feedback loop..." A.I.Mees, "Dynamics of Feedback Systems", New York: J. Wiley, c1981. ISBN: 0-471-27822-X. p69
- Araki, M., PID Control (PDF)
- Minorsky, Nicolas (). „Directional stability of automatically steered bodies”. J. Amer. Soc of Naval Engineers. 34: 280–309. doi:10.1111/j.1559-3584.1922.tb04958.x. Mai multe valori specificate pentru
|DOI=și|doi=(ajutor) - Wai-Kai Chen (). „Chapter 13: General feedback theory”. Circuit Analysis and Feedback Amplifier Theory. CRC Press. p. 13-1. ISBN 9781420037272.
[In a practical amplifier] the forward path may not be strictly unilateral, the feedback path is usually bilateral, and the input and output coupling networks are often complicated.
Mai multe valori specificate pentru|autor=și|nume=(ajutor) - Santiram Kal (). Basic Electronics: Devices, Circuits and IT Fundamentals. PHI Learning Pvt. Ltd. p. 191. ISBN 9788120319523.
If the feedback signal reduces the input signal, i.e. it is out of phase with the input [signal], it is called negative feedback.
Mai multe valori specificate pentru|autor=și|nume=(ajutor) - With mechanical devices, hunting can be severe enough to destroy the device.
- P. Horowitz & W. Hill, The Art of Electronics, Cambridge University Press (1980), Chapter 3, relating to operational amplifiers.
- For an analysis of desensitization in the system pictured, see S.K Bhattacharya (). „§5.3.1 Effect of feedback on parameter variations”. Linear Control Systems. Pearson Education India. pp. 134–135. ISBN 9788131759523.
The parameters of a system ... may vary... The primary advantage of using feedback in control systems is to reduce the system's sensitivity to parameter variations.
Mai multe valori specificate pentru|autor=și|nume=(ajutor) - Snelgrove, Martin (). „Oscillator”. McGraw-Hill Encyclopedia of Science and Technology, 10th Ed., Science Access online service. McGraw-Hill. Arhivat din original la . Accesat în . Mai multe valori specificate pentru
|nume=și|last=(ajutor); Mai multe valori specificate pentru|lucrare=și|work=(ajutor) - Chattopadhyay, D. (). Electronics (fundamentals And Applications). New Age International. pp. 224–225. ISBN 81-224-1780-9.
- Garg, Rakesh Kumar; Ashish Dixit; Pavan Yadav (). Basic Electronics. Firewall Media. p. 280. ISBN 8131803023. Mai multe valori specificate pentru
|autor2=și|nume2=(ajutor); Mai multe valori specificate pentru|autor3=și|nume3=(ajutor) - Volnei A. Pedroni (). Digital electronics and design with VHDL. Morgan Kaufmann. p. 329. ISBN 978-0-12-374270-4. Mai multe valori specificate pentru
|autor=și|nume=(ajutor) - Latches and Flip Flops Arhivat în , la Wayback Machine. (EE 42/100 Lecture 24 from Berkeley) "...Sometimes the terms flip-flop and latch are used interchangeably..."
- H. Giese; Y. Brun; J. D. M. Serugendo; C. Gacek; H. Kienle; H. Müller; M. Pezzè; M. Shaw (). „Engineering self-adaptive and self-managing systems”. Springer-Verlag.
- J. L. Hellerstein; Y. Diao; S. Parekh; D. M. Tilbury (). Feedback Control of Computing Systems. John Wiley & Sons. Mai multe valori specificate pentru
|autor=și|nume=(ajutor); Mai multe valori specificate pentru|autor2=și|nume2=(ajutor); Mai multe valori specificate pentru|autor3=și|nume3=(ajutor); Mai multe valori specificate pentru|autor4=și|nume4=(ajutor) - J. O. Kephart; D. M. Chess (). „The vision of autonomic computing”.
- H. A. Müller; H. M. Kienle; U. Stege (). „Autonomic computing: Now you see it, now you don't—design and evolution of autonomic software systems”.
- Hofstadter, Douglas (). I Am a Strange loop. New York: Basic Books. p. 67. ISBN 978-0-465-03079-8.