Legea lui Jurin
Legea lui Jurin exprimă cantitativ comportarea lichidelor într-un tub capilar. Poartă numele descoperitorului acesteia, James Jurin.

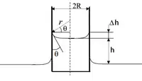
Dacă introducem în apă un tub de sticlă de diametru mic, apa udă bine sticla, formând un menisc concav, iar diferența de presiune este îndreptată în sus, apa urcând în tub până ce diferența de nivel h echilibrează această diferență de presiune.
Ecuația Young-Laplace:
se scrie:
unde γ1 și γ2 sunt greutățile specifice ale apei, respectiv aerului.

Considerând că suprafața meniscului are forma unei calote sferice (r1 = r2 = R), relația devine:
unde R este raza tubului și θ este unghiul de contact al apei cu tubul.
Neglijând γ2 în raport cu γ1, se poate scrie că:
iar dacă se obține legea lui Jurin:
Pentru lichide neaderente (de exemplu: mercurul față de sticlă), meniscul este convex, iar în tubul capilar se formează o denivelare (h<0).