The intention of this book is to show the world in as simple manner as possible how tubes work and how to use them for amplifiers.
The Physical Function of the Tube
The most common tube type in audio amplifiers regardless if it is in power stages or in pre amplifiers is the so-called triode svwp: Trioden.
It thus has three electrodes where two of them called anode and cathode reflects the diode function of the tube according to svwp: Child-Langmuirs lag.
The fact that there can flow a current at all between cathode and anode has to do with the thermal emission svwp: Termisk emission of the heated cathode which makes electrons literally bubble outside the cathode and then makes it possible to apply a voltage to accelerate them to the anode. Yielding a current.
By using a so-called grid between cathode and anode this current can be controlled according to certain laws partly derived above. The most important thing is that the current will be a function of the anode voltage powered by 3/2.
Between the grid and the anode you thus get an amplification. This amplification called µ means that at a certain input voltage you will get a certain output voltage. µ can only be determined while using infinite load (i.e. a straight horizontal line on the anode diagram). But µ can also be deducted from the transconductance (i.e. volt in divided by mAs out at operating point) of the tube which multiplied with the dynamic plate resistance, rp, yields µ.
The Small Signal Model of the Tube
The small signal model of tubes are very much like Field Effect Transistors svwp: Signalförstärkning medels FET-transistor.
It is just the actual leg names that differ between a MOSFET/J-FET and a tube model.
When you hit the above link you will probably understand the difference.
Designing with Tubes
Usually, when designing tube amps, you design with regard to a common cathode (CC), i.e. you want to amplify voltage as much as possible.
The common expression for voltage amplification in a CC-stage is:
This is shown in the link above.
Please note the minus sign, i.e. it changes phase by 180 degrees.
You can use this in cascade if, for instance, you want to design an RIAA-stage and put the passive RIAA-filter between the tubes.
And, if the amplification does not fully suffice, you can decouple the cathode resistances (Rk) with a capacitor and get:
for relevant frequencies.
Tube Biasing

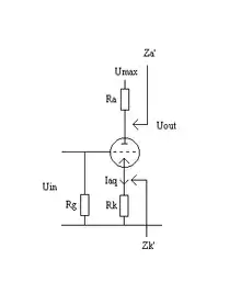
The picture to the right shows how to bias a tube/triode.
Biasing means making the tube ready and able to take care of an incoming signal without distorting it.
Imax and Umax reflect what happens when loading the tube. You have a maximum voltage, Umax, which you plan on applying to the tube. But you understand that you need to apply it via an anode resistance (the cathode resistance is so small that we can neglect it). So the loadline called RL in the picture shows how the tube will work. Maximum current, Imax, will of course never be reached and is equal to Umax divided by the anode resistance, in this case called RL.
This way we have a so-called loadline for the tube and its working point.
The working point means the current, Iaq, and voltage, Uaq, that the tube will begin working with.
The working point comes from what current we want to flow, allowing a margin before Ug=0, producing tube clipping.
Now we have the tube at the working point, it can work as it wants.
I have earlier stated the equations for the actual voltage amplification (which is much dependent on working point/bias).
Dynamic Representation of Amplification

The picture shows how a triode connected in CC amplifies an input signal.
The input thus varies around bias (Ugq) and the tube then generates an amplified but inverted signal (Av*Uin).
If the load (RL) had been infinite we would have had µ as amplification.
You just need to put the ruler horizontally on the plate diagram and read how much more voltage you get out for x voltage in to get µ.
Another important parameter is the so-called transconductance i.e. how many mA you will get for x number of volts in. In this case you just need to put the ruler vertically.
The decay of transconductance, gm, usually is a measure of the condition of the tube.
If you put the ruler alongside an operating point and divide the number of volts by the number of milliamps you get the plate resistance, rp. gm*rp is then the same as µ.
The output signal is somewhat overdriven by the input in the picture. This is possible if driving source is low-impedance and capable of sourcing current into the grid which will start to conduct like a diode when input exceeds 0V dynamically.
Tubes in Real Life

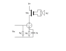
When we bias a tube for (voltage) amplification we use the schematic to the right.
The tube in the picture is so called automatically (or self) biased, that is a small cathode resistance (Rk) makes sure the tube is negatively biased. This however means that the grid resistance (Rg) must not be too large (<1M usually).
It is a bit hard to choose Rk but if the anode diagram is available and you know the load, it is quite easy. All you have to do is to choose the smallest margin for Ugk=0 (for highest amplification without the use of Rk decoupling capacitor) and divide that Ugk with chosen current on the load line.
A problem in reality with this kind of CC stage is that the output impedance is quite high. This has the consequence that high frequencies are hard to amplify if certain precautions are not taken.
The low-pass limit for a CC-stage loaded with a capacitance (which is always apparent in f.i cables) is:
Where Zo is the driving impedance.
This frequency limit quickly gets low if Zo is high.
There are numerous ways of getting around this problem. One is to use a cathode-follower, another is to use as small resistances as possible.
The impedance Za' (before paralleling of Ra) in the figure is:
where Rk is almost always decoupled and can be taken to 0 for relevant frequencies. The impedance is however still quite high (rp).
Zk' is quite similarly (and before the paralleling of Rk):
which if rp>>Ra and µ>>1 can be written:
where gm is the transconductance of the tube.
If Ra=0 and you extract the signal from the cathode you get a so-called cathode follower where voltage amplification almost always is very close to one. In this case we will also get a very low output impedance.
Power Stages
In this chapter I will try to explain how to connect tubes for getting output power into loudspeakers.
Single-End

To get power into a loudspeaker you are required to match the high dynamic impedance of the tube to the low impedance of the loudspeaker. This is most commonly done by choosing reflected impedance of the loadspeaker to equal twice the tube resistance, rp. This way you will get maximum power output available.
To be able to connect a tube to a loadspeaker you will however need a transformer (TR1). This transformer is not trivial in its design. Even though reflected impedance means the turn ration squared. Interested may read enbook: OPT Design.
Single-End (SE) designs are very interesting but they do have the problem of low output power (usually).
Push-Pull

The solution to the above problem may well be the so-called Push-Pull (PP) design. With this solution you may double the output power with very few extra components except another tube, that is. But the gain does not stop there because both the demands on the output transformer (OPT) and the regulation of the supply gets less. The voltage can actually vary very much in a well balanced push-pull design and this is because Push-Pull actually means that it only amplifies differential signals. Moreover, the transformer above needs to be able to handle full bias (DC) without going into saturation (in practice meaning that an air-gap is necessary). But in the case of Push-Pull this demand vanishes because both tube biases cancel the magnetisation of the OPT. It only needs to have to equally split primaries and be able to handle the voltage at chosen (low) frequencies.
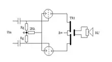
The Phase-Splitter

The picture to the right shows a well-known phase-splitter design. It works in such a way that the signal coming into the grid of the second tube is inverted at the anode and non-inverted at the cathode. Moreover, the absolute gain from grid to anode and grid to cathode is actually very precisely the same. Hence, taking the difference of the cathode signal and the anode signal and comparing it to the grid input actually yields a differential (DM) gain of very close to two. The important thing being that they have the same amplitude while being 180 degrees out of phase.
A solid PP-design like the Williamson Amplifier has many benefits. When it comes to hum a well-balanced (Class A) PP-design also has the benefit of not being that dependent on supply ripple. This is because, ideally, the output tubes are a perfect dynamic match and will only amplify DM-signals to the loudspeaker. That is, only if the hum is greater at the anode of the splitter than it is at the cathode, the hum will propagate to the loudspeaker.
So, let's take a look at the possibility of perhaps cancelling hum totally!
Consider the reactance, Xc, of the capacitors (C) to be much smaller than Ra1 or Ra2 at 100 Hz (very true in practice).
Note: C=33 uF equals to 50 ohms@100 Hz.
Then we have:
If Xc1=Xc2 and the capacitors are relatively large, it doesn't matter how large they are. They vanish from the equations!
Moreover, the ripple (Ur) itself vanishes! That is, the supply ripple may be very large!
Xc1=Xc2=>
And because Zk'<< Za'=>
And because Ava and Avk is very close to one =>
And because Za' for this type of phase-splitter is very close to Ztot' =>
Finally, let's calculate Ra1 for the Williamson Phase-Splitter:
Ra2=22k
Za1=rp+(u+1)Rk=7k+21*470=17k
Ztot1=Za1+Ra=17k+47k=64k
Putting this into the above equation yields:
Ra1=11,7k=12k (note that the original value is 33k).
Thus, using this value will reduce residual hum problems to be of 50 Hz only (AC-heating, that is).
Gain and Output Impedance
These equations show that the gain to the anode (Ava) and the gain to the cathode (Avk) is exactly the same. This is not so strange because the unloaded current can't flow anywhere else other than through both the Ra and the Rk.
To uphold this nice feature we do however need to load the anode and the cathode equally.
The anode output impedance is quite high (21k) while the cathode output impedance is quite low (1,3k).
If this stage where to drive a PP-output stage directly we would need to adjust the output impedances (due to output tube grid resistance often being in the order of 100k).
But this is no problem because we could inject some 19,7k in series with the cathode output yielding a phase splitter with pure DM gain and equal leg impedance.
Power Stage Analysis

The picture shows how a tube may work as a power amplifier.
The tube is supplied with B+ and biases automatically by the cathode resistance, Rk.
If copper losses in TR1 may be omitted this static case means that RL=Rk.
In the dynamic case, when signal is applied, RL however equals n^2 times the loadspeaker impedance.
When Ugk equals Ua-B+ equlibrium is reached and a stationary current, Iq, flows.
Due to the voltage being high at this point a high anode dissipation is reached, Pa.
As you can see from the small triangle area compared with the big rectangle area, the effectivity is quite low (theoretically maximum 32%, I think)
I have however failed with choosing optimum bias because there are some margins upwards in anode voltage.
But despite this, you may determine a Class A amplifier output power by:
The area of the triangle, that is.