<
Practical Electronics
<
Amplifiers
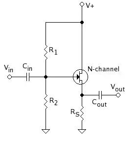
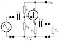
Common Drain Amplifier
This article is issued from
Wikibooks
. The text is licensed under
Creative Commons - Attribution - Sharealike
. Additional terms may apply for the media files.