Output Transformer Design Basics

Tube Output Transformer Design

The goal of this book is to show the world how an output transformer or OPT may be designed and what to think of.

Theory

The fundamental consideration is that the core must not go into saturation at any voltage or frequency. That means that the core must widthstand:

Due to DC allmost always being present (especially true in single-end designs) we must also consider the magnetic intensity H:

where lm is the mean magnetic length around the core.

It can furthermore be shown that the primary inductance need emerges from the fact that

where RL is the reflected load resistance and rp is the plate resistance of the tube(s).

This yields the equation

where ZL is the loudspeaker nominal impedance and n the turn-ratio of the transformer.

It can furthermore be shown that maximum output power occurs when each tube is loaded by

Knowing this the minimum inductance L may be calculated.

The small signal model do however also put restrictions on HF parameters. If the OPT is carefully wound (in sectors and not bifilary as well as at least one layer of transformer tape inbetween each layer) the main HF problem will be a so called leakage inductance. The equation for calculating this is:

or

This parameter is however very hard to control. But experience has showed that one important thing is that the secondary winding must cover the whole (or both) primaries. Another idea is that the winding ends must not be folded. This last part might mainly eliminate HF resonances.

The inductance of a toroidal transformer can be expressed as:

where

where lg is the length of the air-gap and lm is the mean magnetic length.

If lg is zero, this simplifies to

where

is the relative permeability of the iron and

is the permeability of vacuum.

A Practical Example

It can be shown that a single-pole low-pass filter roll-off yields an only -0,5dB impact on the frequency three times lower than fh. This means that if we want -0,5dB at highest audible frequency (20kHz) we would need a fh of 60kHz.

Because

this means a leakage inductance of less than

if we want to use KT66 tubes in push-pull (PP) where rp=2rp(KT66)=2500 Ohm. Observe that RL in PP-designs is 4 times the load on each tube. Optimum plat-to-plate load is thus 10k Ohms in our case.

The same thing is valid for single-pole high-pass filters, thus fl for -0.5dB@10Hz is 3,3Hz. The inductance therefor needs to be greater than

If we want to use the suggested core dimensions we get

and

Because P1+P2 needs to widthstand 230V@15Hz and a common maximum flux density for transformer irons is around

the number of turns can now be calculated using the first equation. This gives

Putting this into the equation for the primary inductance we get

Because we want to use the OPT in Class A push-pull configuration we need not take too much consideration of the DC that will flow due to tube aging and loudspeaker impedance variation with frequency. But it is recommended that the OPT should widthstand at least 10mADC thru both primaries. In SE-configuration a so called air-gap would be needed but this cannot (easily) be realised in toroidal transformers which makes us dependent on the width of the BH-loop of the used iron.

The magnetic intensity for a DC current of 10mA is for our transformer:

and here we want to have at least L/3=30H left.

Equation Derivation

In this paragraph the derivation of the above used equations will be explained.

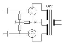
Standard OPT Usage

Standard OPT Usage

This picture shows how an OPT is used in push-pull (PP) configuration. The below theory is however also valid for single-end (SE) configurations.


OPT Small Signal Model

OPT Small Signal Model

This picture shows the small signal model of the OPT.

Fig.1 shows the trivial OPT connection i.e driven by the generator G thru two plate resistances rp (because of PP).

Fig.2 shows what happens at low frequencies where the OPT works as an ordinary transformer. Reflected impedance is therefor

where n is the turn ratio of the OPT and ZL is the loudspeaker impedence.

Fig.3 shows what happens at high frequencies where the leakage inductance LL is dominant over the interlayer capacitance (due to special winding techniques described earlier). The above expression still holds though.


Transformer Basics

Consider an ideal transformer without iron or copper losses. The output power will then be equal to the input power.

If you transform a high voltage to a low voltage you will be then able to extract a higher current at the secondary than you are putting in on the primary.

So if

then

and if

it follows that

and finally

or

Small Signal Model Evaluation

While using Norton and Thevenin circuit theory in Fig.2 we get:

In Fig.3 we may however just realize the fact that

because this is where the reactance of LL becomes dominant.

Standard Filter Characteristics

Imagine a single-pole High-Pass filter. Then you might have a capacitor in series with a resistor to ground. The Laplace transfer function then yields

or simplified

Putting

we get

Putting s=jw we get

and the amplitude of the transfer function gets

or

where f is the frequency.

Putting

we get

Field Magnetics

In this paragraph we will show the world the electromagnetic fundamentals.

Maxwell's Equations

The normal form of Maxwell's Equations is

The first equation, Gauss's Law, describes how electrical fields are caused by electrical charges.

The second equation states that there are no "magnetic charges", or so called magnetic monopoles.

The third equation, Faraday's Law, describes how electrical fields are created due to magnetic field variations.

The fourth equation, Ampere's Law (with Maxwell's correction), describes how magnetic fields are created from electrical field variations.

A List of the Used Quanteties

E : Electric Field Intensity [V/m]

D : Electric Flux Density [As/m^2]

H : Magnetic Field Intensity [A/m]

B : Magnetic Flux Density [Vs/m^2]

Jf : Free Current Density [A/m^2]

Integral Form

Boundary Limits

Going from medium 1 to medium 2 Maxwell's Equations gives

where

is the surface charge density och Kf the free surface current intensity between the mediums.

Faraday's Law

Consider Faraday's Law where we have from Maxwell's Equations:

If we define:

=emf induced in the curvature C [Volt]

and

=magnetic flux thru the surface S [Vs or Weber]

then we get:

[Volt]

If we use several turns N of wire we get

[Volt]

And if the magnetic flux flows thru an iron where

the magnetic flux will stay in the iron only, yielding a secondary voltage proportional to the turn ratio n.

Magnetic Flux Density in an Iron Core

From Faraday's Law we have

And due to no variations in the surface S, we have

Using the equation

we then get

A sinusoidal magnetic flux density yields

and thus

which maximum occurs when

Thus

or

where A has been substituted for S

And if the voltage is sinusoidal

we get

Magnetic Field Intensity in an Iron Core

From Maxwell's Equations we get

because we are considering DC only and a homogenous surface.

So if we are using a toroid, then

and if

then

Effective Permeability due to Air-Gap

Applying Ampere's law we once again get

Here we also have

But in the core we will have

and in the air-gap

This gives

This may be rewritten as

or

where

which gives

or

Toroidal Core Inductance

Consider cylindrical coordinates. Then we get

Since the path encircles a total current NI, we have

Knowing the relationship

it is easy to relate to the earlier equations, thus

and

which equals

Using that the flux linkage is

and that the small signal inductance is independent of the current, we get

C-Core Inductance

This is not so easy to calculate but we can do some approximations if the mean magnetic length could be defined by

where c is the shortest leg (at the center of the iron) and d the longest dito leg.

Approximating this to a circular toroidal shape, we get

Adding half of the thickness of the iron to this we get b, substracting half of the thickness we get a. Then we might reuse

This should be quite valid due to the magnetic flux staying in the iron because of

Optimizing Tube Amp Load

Maximum Available Power for Triodes

If we consider

and realize that

output power may be written

and derivated by Ia this gives

with maxima for

thus

From the image we can see that

where Ua disappears so that

or

thus

A more simple way to prove this is by inspection of image:

This finally proves that optimum load for a triode is double it's internal resistance. It should however be pointed out that plate voltage should be the limiting factor, for higher voltages where plate dissipation comes into the picture, Ra must be higher.

It is also interesting to note that the efficiency is only 25% in this case, we can prove this by putting:

with

thus

 


This article is issued from Wikibooks. The text is licensed under Creative Commons - Attribution - Sharealike. Additional terms may apply for the media files.