Introduction

Warning! The circuit is fed directly from the mains. Use an isolating transformer and observe the usual precautions.

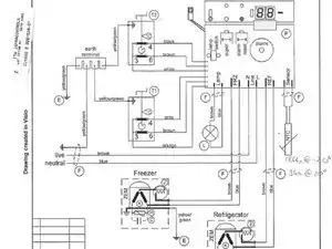
This fridge has a PCB manufactured in Italy. The fridge works without said PCB, whose sole purpose is to provide temperature measurement from the freezer and temperature alarm. The PCB has two small microprocessors that are fed from a 5V supply. The 5V supply id derived from the mains by a rectifier bridge and a series capacitor. When this capacitor’s value drops the voltage drops. This is detected by the processors who do a brownout reset. They now draw less current, so the voltage rises, the processors start, voltage drops and the process repeats.

  1. 6EhasRNifeeKMI3O
    6EhasRNifeeKMI3O
    OFMdsV1C5QJqU1AC
    • You can verify this by measuring the supply voltage to the processors. They are Microchip 16C505s. Measure between pins 1 and 14. If the voltage is much less than 5V, say 2.5V then the most likely culprit is the large, round and in my case white capacitor. The value is 1.2uF/250V~

  2. iXfQdfJyRfARTWh5
    • The fix is to replace the capacitor. You MUST replace with a MKP-type capacitor that is rated for 250V AC. To disassemble, remove the two screws at the back of the TOP part. You also need to (temprorarily) remove the screw that holds the fridge door. Slide the top part forward and lift up.

    • The front part snaps into the rear part. Use a screwdiver to yank the small hooks to remove the front part and collect all the buttons and knobs as they fall to the floor.

    • The PCB is held in place by two small hooks. Again use a screwdriver to loosen it. Note that you will have to wiggle the lever for the fridge light to free the PCB.

  3. JRuVQySymwQF5ch6
    • Replace the capacitor. Reassemble

Conclusion

To reassemble your device, follow these instructions in reverse order.

AndersG

Member since: 11/03/21

121 Reputation

0 comments