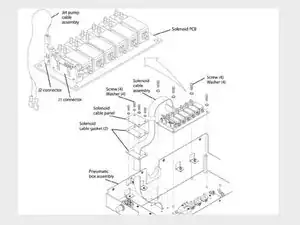
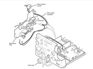
[http://e500 Service Manuel|Chapter 1]

Block Image

Background

The Newport e500 ventilator (Model number: SER500) made by Newport Medical was released to the public in December 2002. The logical layout of the front panel and smart alarm systems make ventilator setup and training quick and easy. The self-calibrating, integrated oxygen monitor with alarms, the panel lock, and an internal battery all provide the smooth ventilator management necessary to assure peace of mind.

Exclusive to the e500 ventilator, the e500 Graphics Display Monitor features a clear view of diagnostic information with touch-screen ease. In addition to 24-hour trend data, the GDM provides an Event History Log that records the 600 most recent occurrences of both alarm violations and changes to ventilator settings. The Wave/Loop Freeze with Cursor function allows the user to gather the analysis of time, pressure, volume, or flow at any point in the breath.

It is important to note that as of 2012, Newport Medical was acquired by Covidien, and no longer produces e500 ventilators.

Sources:

https://www.medwrench.com/equipment/6198...

https://avantehs.com/p/newport-wave-e500...

Identification

The Newport e500 ventilator (Model number: SER500) can be identified by the brand NEWPORT in block letters and NMI below in the upper right corner on the bezel of the display of the unit. The full name, NEWPORT e500 is printed on the control panel below towards the top right.

Specifications

  • Dual control Management
  • O2 calibration
  • Records event history log
  • Circuit compliance compensation
  • Altitude compensation
  • Violation message log
  • Setting and modes can be preset while the ventilator in use
  • Compatible with mask ventilation for continuous short-term use

* Gas Delivery Unit

  • Width: 9.8″ (24.8cm)
  • Depth: 21.5” (54.6cm)
  • Height: 9.5″ (24.1cm)
  • Weight: 41.3 lbs. (18.7kg)

* Control Panel Module

  • Width: 13.9″ (35.3cm)
  • Depth: 1.5″ (3.8cm)
  • Height: 12.1″ (30.7cm)
  • Weight: 6.5lbs (2.9kg)

* e500 Custom Cart

  • Width: 20.5″ (52cm) at base
  • Depth: 26″ (66cm)
  • Height: 48″ (121.9cm)
  • Weight: 81lbs (36.8kg) ship weight Total
  • Height: 62.5″ (158.7cm) e500 and GDM mounted

Additional Information