Background and Identification

The Blease Datum “L” vaporizer is an anesthesia vaporizer released to the public in December 1999. It is identified by a serial number ending with the letter L located on the back of the vaporizer.

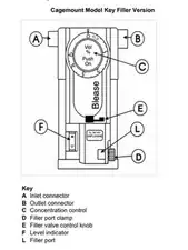
Block Image

This vaporizer is reliable and relatively maintenance-free. It is free of routine maintenance requirements, and is backed by a 10-year warranty. It is in use on a number of anesthesia systems, including the Spacelabs Healthcare Anesthesia System.

More information for this device can be found at the technical support page on medwrench.com.

Technical Specifications

Physical Dimensions:

The largest variant of the vaporizer, the Selectatec Standard, has a mass of 7.5 kg and a capacity of 250ml. Its dimensions are 225 x 114 x 200mm. (Attached is a table of specifications for other variants.)

Block Image

On the 8% Servoflurane models, the control dial is graduated in increments of 0.25% Vol. from 0 to 2% Vol., and in increments of 0.5% Vol. from 2 to 8% Vol.

Additional specifications and operating procedures can be found in the user manual.

Additional Information

Blease Datum 1999 User Manual

Engineering World Health Blease Datum Page

MedWrench.com Support Page

Blease Datum L Anaesthesia Vaporizer - User Manual